Golledge新款1610低功耗32.768K振蕩器產品介紹
來源:http://www.huihuangyouhua.com.cn 作者:金洛鑫電子 2019年07月26
Golledge Electronics Ltd.公司是英國一家集研發,開發,設計,制造,銷售為一體的石英水晶組件企業.只提供各種頻率元件,總部位于英格蘭西南部中心,截止2019年第一季度,經內部統計之后,Golledge晶振已成功出售到全球范圍內的50多個國家,使用的客戶突破10000萬以上,這令每一位在Golledge工作的員工感到自豪.而且我國部分工廠和企業,也在使用Golledge生產的晶體諧振器,晶體振蕩器等產品,大部分都在長期采購使用,今年6月份Golledge晶振公司推出一款新產品,1610mm尺寸低功耗32.768K晶體振蕩器的OM7605C9晶振系列,本文將對這款新產品進行詳細的介紹!
OM7605C9 32.768K振蕩器是我們對該系列產品的最新介紹,具有擴展的工作溫度范圍和超小型封裝.OM7605C9的尺寸僅為1.6x1.0x0.6mm,適用于需要-40至+125°C擴展工作溫度范圍以及超小型封裝的各種應用,如航空航天,無人機和跟蹤設備.這款32.678kHz振蕩器可在1.6~5.5V的寬電壓范圍內工作,典型功耗僅為0.45uA.在備份模式下.它還具有25°C時典型的50ms的快速啟動時間.OM7605C9完全適用于要求具有出色抗沖擊和抗振性的應用,因為它具有±5ppm,5,000g,0.3ms½正弦波的抗沖擊性能以及±5ppm,20grms10.0~2,000Hz的振動性能.
OM7605C9晶振描述:
OM7605C9是一款超小型32.768kHz振蕩器,采用1.6x1.0x0.6mm陶瓷底座和金屬蓋封裝,工作電壓范圍為1.6~5.5V.OM7605C9具有±20ppm的嚴格校準公差,可根據要求提供其他值,還具有0.45μA的超低電流消耗,并具有可選的AEC-Q200認證.該32.768K石英振蕩子還具有低溫老化特性,在25°C時的第一年最大值僅為±3ppm,可在-40至+85°C的工作溫度范圍或-40至+125°C的擴展工作溫度范圍內使用,并且具有良好的抗沖擊和抗振動特性.
OM7605C9晶振特性:
低功耗超小型32.768kHz貼片振蕩器
超小型32.768kHz振蕩器
超低功耗
頻率容差小
可選AEC-Q200汽車電子晶振資格
高抗沖擊和抗振動
OM7605C9晶振規格:
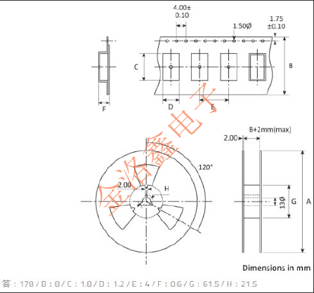
OM7605C9晶振包裝尺寸:
OM7605C9晶振啟用/禁用功能
OM7605C9晶振框圖:
OM7605C9晶振材料成分:
材料成分無鉛(<0.1%重量);符合RoHS標準,無豁免;32.768K有源晶振符合REACH標準;沒有沖突礦物;沒有鹵素;不含消耗臭氧的物質;標稱凈質量:3.06mg.
OM7605C9晶振描述:
OM7605C9是一款超小型32.768kHz振蕩器,采用1.6x1.0x0.6mm陶瓷底座和金屬蓋封裝,工作電壓范圍為1.6~5.5V.OM7605C9具有±20ppm的嚴格校準公差,可根據要求提供其他值,還具有0.45μA的超低電流消耗,并具有可選的AEC-Q200認證.該32.768K石英振蕩子還具有低溫老化特性,在25°C時的第一年最大值僅為±3ppm,可在-40至+85°C的工作溫度范圍或-40至+125°C的擴展工作溫度范圍內使用,并且具有良好的抗沖擊和抗振動特性.
OM7605C9晶振特性:
低功耗超小型32.768kHz貼片振蕩器
超小型32.768kHz振蕩器
超低功耗
頻率容差小
可選AEC-Q200汽車電子晶振資格
高抗沖擊和抗振動
OM7605C9晶振規格:
| 頻率 | 32.768kHz |
| 外形尺寸 | 1.6x1.0x0.6mm |
| 周轉溫度(T0) | +25°C±5°C |
| 頻率/溫度系數 | -0.035ppm/°C2±10% |
| 儲存溫度范圍 | -55至+125°C |
| 供電電壓(VDD) | 可在1.6~5.5V之間工作 |
| 供電電流(備用模式) |
典型值0.45μA,最大0.65μA (VDD3.0V,輸出禁用,25°C) |
| 邏輯水平 |
'0'電平=+0.4V最大 '1'電平=VDD-0.4V最小值 |
| 波形對稱 | 40:60max@50%VDD |
| 駕駛能力 | CMOS |
| 電壓系數 | 最大±3ppm/V. |
| 上升/下降時間 | 30ns典型值,最大70ns |
| 啟動時間 | 50ms典型值,最大值500ms@25°C |
| 啟用/禁用功能 | 通過墊3控制 |
| 老化 | 第一年最高±3ppm@25°C |
| 抗沖擊性 | ±5ppm,5,000g,0.3ms½-正弦 |
| 抗振性 | ±5ppm,20grms10.0~2,000Hz |
| 焊接條件 | 回流溫度,260°C,最大20秒 |
| 輸入(墊3) | 輸出(墊1) |
| '1'級別 | 啟用 |
| '0'級別 | 有缺陷的 |
注意:墊3不允許浮動
OM7605C9晶振倦帶規格:

材料成分無鉛(<0.1%重量);符合RoHS標準,無豁免;32.768K有源晶振符合REACH標準;沒有沖突礦物;沒有鹵素;不含消耗臭氧的物質;標稱凈質量:3.06mg.
正在載入評論數據...
發表評論:
| 姓名: | |
| 郵箱: | |
| 正文: | |
歡迎參與討論,請在這里發表您的看法、交流您的觀點。
相關資訊
- [2025-09-02]探索CTS-CS-BAX-20母線安裝式電...
- [2025-08-28]Skyworks設定超低抖動時鐘緩沖器...
- [2025-08-28]Skyworks展示其在智慧城市汽車等...
- [2025-08-22]EMI控制輕松實現泰藝的SX和SY擴...
- [2025-08-22]泰藝的32.768kHz晶體支持從緊湊...
- [2025-08-21]臺灣SIWARD希華推出小型1610貼片...
- [2025-08-21]WINTRON推出低高度SMD封裝WTC-3...
- [2025-08-20]anderson安德森2520貼片晶體振蕩...





業務經理
客服經理