絕佳修復話筒晶振妙計
來源:http://www.huihuangyouhua.com.cn 作者:jinluodz 2013年07月24
現在隨著社會的快速發展,科學技術的日新月異,要想在現實生活中打拼出來,,就必需要能做到在有限的時間內掌握比別人多的知識,就要比別人更能有效地處理好事情。如此一來,必然導致你的生活節奏變快,有很強的生活緊湊感,時間久了,也就成了快節奏的生活。每天生活都很忙碌,在不停地快速地忙碌著,伴隨而來的是壓力、身心疲憊等。各種舒緩情緒的招兒,隨之而來,唱歌是年輕人最喜歡的解壓方式,來首特有爆發力的歌,在歌聲中嘶聲力竭的宣泄著。這樣使得K歌是種趨勢,當我們在KTV唱歌的時候難免會將話筒摔到地上,這樣就很容易造成了話筒里面晶振的碎裂,從而導致信號無法發射。懂晶振的人都知道,晶振屬于易碎品,肉眼看去晶振的外表是好的,其實晶振里面已經碎了,放在耳邊搖一下。可以聽到里面有響聲,證明它已經壞了。
晶振廠家金洛電子經過反復試驗得了一個結論:晶振的腳越粗,越容易碎裂,因為腳粗的避震差。所得到的解決方法是:把晶振的腳和電路板分離,用“雙面膠”,很厚那種。把雙面膠貼在晶振腳位處,然后把晶振貼在雙面膠上面,用膠水把晶振固定住。粘膠水時特別注意:不要粘太多,以免影響雙面膠的防震作用,然后將晶振引線腳用導線連接在剛才電路板那里。
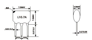
用在話筒上的晶振一般有石英晶振和陶瓷晶振,比如紅外線話筒用上用的晶振,LT10.7MA,屬于陶瓷三腳插件的。以下是它的尺寸圖與波形圖。


正在載入評論數據...
相關資訊
- [2025-08-29]CTS致力于成為技術的前沿提供創...
- [2025-08-29]Diodes宣布推出一款智能48通道L...
- [2025-08-25]Rakon瑞康為什么應該放棄標準CO...
- [2025-08-25]Transko特蘭斯科推出了結合MEMS...
- [2025-08-23]SiT5503超精密溫度補償晶體振蕩...
- [2025-08-23]探索SiTime專為導航航空航天和國...
- [2024-04-11]CTECH濾波器型號數據列表CLB75P...
- [2024-03-18]Statek晶振產品應用CX20SCSM1-1...


業務經理
客服經理