計時應用中的石英晶體,32.768KHz晶振
來源:http://www.huihuangyouhua.com.cn 作者:金洛鑫電子 2022年06月20
自從推出32.768千赫微型手表晶體已經成為有史以來最受歡迎的計時參考。這應用筆記旨在為的使用提供一些指導,計時應用中的石英晶體,32.768KHz晶振,LFXTAL051643REEL,手表晶振
幾乎在所有情況下,設計師都希望使用簡單的邏輯為了方便起見,貼片振蕩器,通常適用于此類設計的標準是 應該是精確的、低成本的和低功耗的。使用一個手表晶體和CMOS邏輯所有這些標準都可以滿足。
在CMOS振蕩器電路中,功耗隨著頻率而上升 因此將工作頻率降低到a是有意義的 最低;這就是選擇32.768k的原因。第二種方法 降低CMOS電路中功耗的一個目的是減小尺寸 任何被驅動的負載。部分是因為這個原因,手表晶體 設計工作負載典型值為12.5pF,而非更常見的是20或30pF。它還與:(CMOS的類型有關 手表中使用的低電壓會耗盡能量 除非使用低晶體負載電容;(b)保存晶體 將電平驅動至低電平,同時保持足夠的逆變器輸入電壓,以及 (c)允許使用非常小的微調電容器,同時仍然提供 必要的修整范圍。
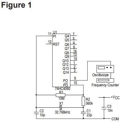
可以滿足CMOS倒相振蕩器的基本要求 利用單個柵極和少量其他組件來提供偏置 和反饋。圖1顯示了這種類型的典型電路。負載 石英晶體看到的電容是以下電容的串聯組合 Cout和Cin連同任何電路一起走失,包括邏輯門 輸入和輸出引腳電容。中使用的組件值 圖1工作良好,并給出了與測量的測試結果的良好相關性 從Saunders 140晶體阻抗計獲得。表面現象晶振的負載電容為: Cout =柵極輸出電容Cin =柵極輸入電容
這給出了6.9pF負載的數字。這遠遠低于要求 圖12.5pF,但是邏輯的輸入和輸出引腳 大門呈現出明顯的負荷。這些附加值需要 添加到6.9pF。這些負載通常在3pF到 每個引腳4pF,但最高可達10pF,具體取決于邏輯 家庭使用。這些額外負載以及中的雜散電容 電路總計約為12.5pF。
.JPG)
如果需要可微調振蕩器,22pF輸出電容可以 由一個與2pF至22pF并聯的固定10pF電容代替 微調器。為獲得最佳結果,應使用NPO、COG或類似的低溫高效電介質電容,以獲得最佳穩定性。
對這種振蕩器的一個經常表達的要求是 公差,通常是在沒有規定的布局中 對于修剪器來說。除了電容容差的影響,還必須 意識到因為它們的值較低,所以有些可變 歸因于IC的阻抗將導致某種程度的不確定性 相移,因此振蕩頻率。推薦使用修剪器 因此,如果需要優于50ppm的精度, 而不考慮實際的晶體公差。
計時應用中的石英晶體,32.768KHz晶振,LFXTAL051643REEL,手表晶振
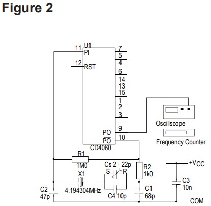
另一個重要的影響是由于溫度的變化。 手表晶體和其他類似類型低于1兆赫有一個拋物線 設計翻轉溫度為25°C時的頻率-溫度特性(見圖3)。人員流動的容忍度 溫度和拋物線曲率常數,通常為3℃ 和0.038 ppm/ C2,這意味著精密公差可以 只能在有限的溫度范圍內維持。這沒什么 結果在一只手表,當然,因為在使用中它保持接近 水晶的周轉溫度,但它可以呈現這種選擇晶體類型的成本效益低于AT切割單位,如果操作 希望溫度范圍比0到50℃更寬。4.194304MHz (32.768kHz x 27) AT切割晶體的類似電路 如圖2所示,C3和C4是為了便于精確 在標準時鐘下校準的晶體的頻率調整 12pF的晶體負載。如果不需要修整,則更換它們 具有18pF或22pF固定單元的電容器(選擇 導致最接近標稱頻率的振蕩),或者省略它們 并指定在30pF負載下校準的晶體。
.JPG)
.JPG)
幾乎在所有情況下,設計師都希望使用簡單的邏輯為了方便起見,貼片振蕩器,通常適用于此類設計的標準是 應該是精確的、低成本的和低功耗的。使用一個手表晶體和CMOS邏輯所有這些標準都可以滿足。
在CMOS振蕩器電路中,功耗隨著頻率而上升 因此將工作頻率降低到a是有意義的 最低;這就是選擇32.768k的原因。第二種方法 降低CMOS電路中功耗的一個目的是減小尺寸 任何被驅動的負載。部分是因為這個原因,手表晶體 設計工作負載典型值為12.5pF,而非更常見的是20或30pF。它還與:(CMOS的類型有關 手表中使用的低電壓會耗盡能量 除非使用低晶體負載電容;(b)保存晶體 將電平驅動至低電平,同時保持足夠的逆變器輸入電壓,以及 (c)允許使用非常小的微調電容器,同時仍然提供 必要的修整范圍。
| 制造商零件編號 | 制造商 | 描述 | 系列 | 頻率 |
| LFXTAL036356REEL | IQD Frequency Products | CRYSTAL 12.0000MHZ 18PF SMD | HC49/4HSMX | 12 MHz |
| LFXTAL056463REEL | IQD Frequency Products | CRYSTAL 25.0000MHZ 18PF SMD | HC49/4HSMX | 25 MHz |
| LFXTAL082088Reel | IQD Frequency Products | CRYSTAL 50.0000MHZ 10PF SMD | CFPX-218 | 50 MHz |
| LFXTAL082071RL3K | IQD Frequency Products | CRYSTAL 16.0000MHZ 8PF SMD | CFPX-180 | 16 MHz |
| LFXTAL059597REEL | IQD Frequency Products | CRYSTAL 32.0000MHZ 10PF SMD | IQXC-42 | 32 MHz |
| LFXTAL069277REEL | IQD Frequency Products | CRYSTAL 8.0000MHZ 20PF SMD | CFPX-104 | 8 MHz |
| LFXTAL016788REEL | IQD Frequency Products | CRYSTAL 6.0000MHZ 30PF SMD | HC49/4HSMX | 6 MHz |
| LFXTAL010689REEL | IQD Frequency Products | CRYSTAL 7.3728MHZ 30PF SMD | HC49/4HSMX | 7.3728 MHz |
| LFXTAL059646REEL | IQD Frequency Products | CRYSTAL 30.0000MHZ 18PF SMD | CFPX-180 | 30 MHz |
| LFXTAL082070Reel | IQD Frequency Products | CRYSTAL 13.5600MHZ 8PF SMD | CFPX-180 | 13.56 MHz |
| LFXTAL035267REEL | IQD Frequency Products | CRYSTAL 24.5760MHZ 16PF SMD | CFPX-180 | 24.576 MHz |
| LFXTAL003151REEL | IQD Frequency Products | CRYSTAL 8.0000MHZ 16PF SMD | HC49/4HSMX | 8 MHz |
| LFXTAL051826REEL | IQD Frequency Products | CRYSTAL 7.3728MHZ 18PF SMD | HC49/4HSMX | 7.3728 MHz |
| LFXTAL055293REEL | IQD Frequency Products | CRYSTAL 14.7456MHZ 18PF SMD | CFPX-180 | 14.7456 MHz |
| LFXTAL071765REEL | IQD Frequency Products | CRYSTAL 27.0000MHZ 8PF SMD | IQXC-180 AUTO | 27 MHz |
| LFXTAL081613Reel | IQD Frequency Products | CRYSTAL 32.0000MHZ 8PF SMD | IQXC-26 | 32 MHz |
| LFXTAL082130Reel | IQD Frequency Products | CRYSTAL 37.4000MHZ 8PF SMD | IQXC-42 | 37.4 MHz |
| LFXTAL082125Reel | IQD Frequency Products | CRYSTAL 25.0000MHZ 8PF SMD | IQXC-42 | 25 MHz |
| LFXTAL082074Reel | IQD Frequency Products | CRYSTAL 27.0000MHZ 8PF SMD | CFPX-180 | 27 MHz |
| LFXTAL082087Reel | IQD Frequency Products | CRYSTAL 40.0000MHZ 10PF SMD | CFPX-218 | 40 MHz |
| LFXTAL084882REEL | IQD Frequency Products | 32.7680KHZ CRYSTAL IQXC-217 | IQXC-217 | 32.768 kHz |
| LFXTAL073170REEL | IQD Frequency Products | CRYSTAL 32.0000MHZ 10PF SMD | IQXC-42 | 32 MHz |
| LFXTAL069383REEL | IQD Frequency Products | CRYSTAL 24.0000MHZ 10PF SMD | CFPX-218 | 24 MHz |
| LFXTAL071788REEL | IQD Frequency Products | CRYSTAL 26.0000MHZ 8PF SMD | IQXC-180 AUTO | 26 MHz |
| LFXTAL082127Reel | IQD Frequency Products | CRYSTAL 27.1200MHZ 8PF SMD | IQXC-42 | 27.12 MHz |
| LFXTAL050991REEL | IQD Frequency Products | CRYSTAL 26.0000MHZ 10PF SMD | CFPX-218 | 26 MHz |
| LFXTAL064296REEL | IQD Frequency Products | CRYSTAL 16.0000MHZ 8PF SMD | CFPX-180 | 16 MHz |
| LFXTAL069527REEL | IQD Frequency Products | CRYSTAL 40.0000MHZ 8PF SMD | IQXC-26 | 40 MHz |
| LFXTAL021675REEL | IQD Frequency Products | CRYSTAL 10.0000MHZ 18PF SMD | HC49/4HSMX | 10 MHz |
| LFXTAL035939REEL | IQD Frequency Products | CRYSTAL 20.0000MHZ 22PF SMD | HC49/4HSMX | 20 MHz |
| LFXTAL035268REEL | IQD Frequency Products | CRYSTAL 25.0000MHZ 16PF SMD | CFPX-180 | 25 MHz |
| LFXTAL059532REEL | IQD Frequency Products | CRYSTAL 25.0000MHZ 18PF SMD | CFPX-104 | 25 MHz |
| LFXTAL059627REEL | IQD Frequency Products | CRYSTAL 38.4000MHZ 10PF SMD | IQXC-42 | 38.4 MHz |
| LFXTAL081620Reel | IQD Frequency Products | CRYSTAL 48.0000MHZ 8PF SMD | IQXC-26 | 48 MHz |
| LFXTAL059477REEL | IQD Frequency Products | CRYSTAL 12.8000MHZ 15PF SMD | CFPX-104 | 12.8 MHz |
| LFXTAL059531REEL | IQD Frequency Products | CRYSTAL 24.5760MHZ 18PF SMD | CFPX-104 | 24.576 MHz |
| LFXTAL059615REEL | IQD Frequency Products | CRYSTAL 16.3840MHZ 18PF SMD | CFPX-180 | 16.384 MHz |
| LFXTAL033643REEL | IQD Frequency Products | CRYSTAL 14.31818MHZ 18PF SMD | CFPX-104 | 14.31818 MHz |
| LFXTAL082076Reel | IQD Frequency Products | CRYSTAL 32.0000MHZ 8PF SMD | CFPX-180 | 32 MHz |
| LFXTAL033580REEL | IQD Frequency Products | CRYSTAL 12.0000MHZ 18PF SMD | HC49/4HSMX | 12 MHz |
| LFXTAL026908REEL | IQD Frequency Products | CRYSTAL 14.7456MHZ 16PF SMD | HC49/4HSMX | 14.7456 MHz |
| LFXTAL010043REEL | IQD Frequency Products | CRYSTAL 12.0000MHZ 30PF SMD | HC49/4HSMX | 12 MHz |
| LFXTAL071747REEL | IQD Frequency Products | CRYSTAL 16.3840MHZ 8PF SMD | IQXC-180 AUTO | 16.384 MHz |
| LFXTAL081610Reel | IQD Frequency Products | CRYSTAL 27.0000MHZ 8PF SMD | IQXC-26 | 27 MHz |
| LFXTAL081608Reel | IQD Frequency Products | CRYSTAL 24.0000MHZ 8PF SMD | IQXC-26 | 24 MHz |
| LFXTAL069526REEL | IQD Frequency Products | CRYSTAL 32.0000MHZ 8PF SMD | IQXC-26 | 32 MHz |
| LFXTAL082131Reel | IQD Frequency Products | CRYSTAL 38.4000MHZ 8PF SMD | IQXC-42 | 38.4 MHz |
| LFXTAL082129Reel | IQD Frequency Products | CRYSTAL 32.0000MHZ 8PF SMD | IQXC-42 | 32 MHz |
| LFXTAL059596REEL | IQD Frequency Products | CRYSTAL 30.0000MHZ 10PF SMD | IQXC-42 | 30 MHz |
| LFXTAL059815REEL | IQD Frequency Products | CRYSTAL 27.1200MHZ 10PF SMD | CFPX-180 | 27.12 MHz |
| LFXTAL082081Reel | IQD Frequency Products | CRYSTAL 20.0000MHZ 10PF SMD | CFPX-218 | 20 MHz |
| LFXTAL032878REEL | IQD Frequency Products | CRYSTAL 12.0000MHZ 18PF SMD | CFPX-104 | 12 MHz |
| LFXTAL051643REEL | IQD Frequency Products | CRYSTAL 32.7680KHZ 9PF SMD | IQXC-25 | 32.768 kHz |
| LFXTAL020131REEL | IQD Frequency Products | CRYSTAL 20.0000MHZ 18PF SMD | HC49/4HSMX | 20 MHz |
| LFXTAL020423REEL | IQD Frequency Products | CRYSTAL 8.0000MHZ 18PF SMD | HC49/4HSMX | 8 MHz |
| LFXTAL026911REEL | IQD Frequency Products | CRYSTAL 18.4320MHZ 16PF SMD | HC49/4HSMX | 18.432 MHz |
| LFXTAL036034REEL | IQD Frequency Products | CRYSTAL 16.0000MHZ 16PF SMD | HC49/4HSMX | 16 MHz |
| LFXTAL061856REEL | IQD Frequency Products | CRYSTAL 20.0000MHZ 18PF SMD | HC49/4HSMX | 20 MHz |
| LFXTAL012504REEL | IQD Frequency Products | CRYSTAL 24.0000MHZ 16PF SMD | HC49/4HSMX | 24 MHz |
| LFXTAL056346REEL | IQD Frequency Products | CRYSTAL 12.0000MHZ 18PF SMD | CFPX-180 | 12 MHz |
| LFXTAL083388RL3K | IQD Frequency Products | CRYSTAL 12.0000MHZ 12PF SMD | CFPX-180 | 12 MHz |
| LFXTAL078382REEL | IQD Frequency Products | CRYSTAL 32.0000MHZ 10PF SMD | CFPX-180 | 32 MHz |
| LFXTAL017145REEL | IQD Frequency Products | CRYSTAL 10.0000MHZ 30PF SMD | HC49/4HSMX | 10 MHz |
| LFXTAL071743REEL | IQD Frequency Products | CRYSTAL 14.3180MHZ 8PF SMD | IQXC-180 AUTO | 14.318 MHz |
| LFXTAL065460REEL | IQD Frequency Products | CRYSTAL 30.0000MHZ 10PF SMD | CFPX-104 | 30 MHz |
| LFXTAL071262REEL | IQD Frequency Products | CRYSTAL 32.0000MHZ 10PF SMD | IQXC-42 AUTO | 32 MHz |
| LFXTAL026386REEL | IQD Frequency Products | CRYSTAL 14.31818MHZ 16PF SMD | 12SMX-B | 14.31818 MHz |
| LFXTAL056055REEL | IQD Frequency Products | CRYSTAL 25.0000MHZ 18PF SMD | CFPX-180 | 25 MHz |
| LFXTAL050789REEL | IQD Frequency Products | CRYSTAL 32.7680KHZ 12.5PF SMD | IQXC-25 | 32.768 kHz |
| LFXTAL010595REEL | IQD Frequency Products | CRYSTAL 25.0000MHZ 16PF SMD | HC49/4HSMX | 25 MHz |
| LFXTAL018153REEL | IQD Frequency Products | CRYSTAL 4.9152MHZ 16PF SMD | HC49/4HSMX | 4.9152 MHz |
| LFXTAL055901REEL | IQD Frequency Products | CRYSTAL 8.0000MHZ 18PF SMD | CFPX-104 | 8 MHz |
| LFXTAL071775REEL | IQD Frequency Products | CRYSTAL 14.3180MHZ 8PF SMD | IQXC-180 AUTO | 14.318 MHz |
| LFXTAL055297REEL | IQD Frequency Products | CRYSTAL 13.0000MHZ 18PF SMD | CFPX-180 | 13 MHz |
| LFXTAL059537REEL | IQD Frequency Products | CRYSTAL 40.0000MHZ 18PF SMD | CFPX-104 | 40 MHz |
| LFXTAL003181REEL | IQD Frequency Products | CRYSTAL 20.0000MHZ 16PF SMD | HC49/4HSMX | 20 MHz |
| LFXTAL003260REEL | IQD Frequency Products | CRYSTAL 3.6864MHZ 16PF SMD | HC49/4HSMX | 3.6864 MHz |
| LFXTAL056556REEL | IQD Frequency Products | CRYSTAL 12.5000MHZ 18PF SMD | CFPX-104 | 12.5 MHz |
| LFXTAL069944REEL | IQD Frequency Products | CRYSTAL 12.0000MHZ 15PF SMD | CFPX-180 | 12 MHz |
| LFXTAL081612Reel | IQD Frequency Products | CRYSTAL 30.0000MHZ 8PF SMD | IQXC-26 | 30 MHz |
| LFXTAL081614Reel | IQD Frequency Products | CRYSTAL 26.0000MHZ 8PF SMD | IQXC-26 | 26 MHz |
| LFXTAL059632REEL | IQD Frequency Products | CRYSTAL 40.0000MHZ 10PF SMD | IQXC-42 | 40 MHz |
| LFXTAL071271REEL | IQD Frequency Products | CRYSTAL 26.0000MHZ 10PF SMD | CFPX-218 AUTO | 26 MHz |
| LFXTAL026394REEL | IQD Frequency Products | CRYSTAL 20.0000MHZ 16PF SMD | 12SMX-B | 20 MHz |
| LFXTAL024940REEL | IQD Frequency Products | CRYSTAL 4.0000MHZ 18PF SMD | HC49/4HSMX | 4 MHz |
| LFXTAL003210REEL | IQD Frequency Products | CRYSTAL 12.0000MHZ 16PF SMD | HC49/4HSMX | 12 MHz |
| LFXTAL035264REEL | IQD Frequency Products | CRYSTAL 16.0000MHZ 16PF SMD | CFPX-180 | 16 MHz |
| LFXTAL055951REEL | IQD Frequency Products | CRYSTAL 16.0000MHZ 18PF SMD | CFPX-180 | 16 MHz |
| LFXTAL035265REEL | IQD Frequency Products | CRYSTAL 20.0000MHZ 16PF SMD | CFPX-180 | 20 MHz |
| LFXTAL062461Reel | IQD Frequency Products | CRYSTAL 27.1200MHZ 10PF SMD | CFPX-180 | 27.12 MHz |
| LFXTAL060258REEL | IQD Frequency Products | CRYSTAL 32.0000MHZ 10PF SMD | CFPX-180 | 32 MHz |
| LFXTAL003166REEL | IQD Frequency Products | CRYSTAL 10.0000MHZ 16PF SMD | HC49/4HSMX | 10 MHz |
| LFXTAL003519REEL | IQD Frequency Products | CRYSTAL 11.0592MHZ 16PF SMD | HC49/4HSMX | 11.0592 MHz |
| LFXTAL033158REEL | IQD Frequency Products | CRYSTAL 3.6864MHZ 18PF SMD | HC49/4HSMX | 3.6864 MHz |
| LFXTAL026384REEL | IQD Frequency Products | CRYSTAL 12.0000MHZ 16PF SMD | 12SMX-B | 12 MHz |
| LFXTAL083387RL3K | IQD Frequency Products | CRYSTAL 10.0000MHZ 12PF SMD | CFPX-180 | 10 MHz |
| LFXTAL033645REEL | IQD Frequency Products | CRYSTAL 40.0000MHZ 18PF SMD | CFPX-104 | 40 MHz |
| LFXTAL078377REEL | IQD Frequency Products | CRYSTAL 26.0000MHZ 12PF SMD | IQXC-42 | 26 MHz |
| LFXTAL061677REEL | IQD Frequency Products | CRYSTAL 32.0000MHZ 12PF SMD | CFPX-180 | 32 MHz |
| LFXTAL078207Reel | IQD Frequency Products | CRYSTAL 32.0000MHZ 10PF SMD | CFPX-218 | 32 MHz |
| LFXTAL058124REEL | IQD Frequency Products | CRYSTAL 24.0000MHZ 18PF SMD | CFPX-180 | 24 MHz |
| LFXTAL081781Reel | IQD Frequency Products | CRYSTAL 16.0000MHZ 8PF SMD | IQXC-42 | 16 MHz |
| LFXTAL084883REEL | IQD Frequency Products | 32.7680KHZ CRYSTAL IQXC-217 | IQXC-217 | 32.768 kHz |
| LFXTAL050510REEL | IQD Frequency Products | CRYSTAL 8.0000MHZ 18PF SMD | HC49/4HSMX | 8 MHz |
| LFXTAL029946REEL | IQD Frequency Products | CRYSTAL 4.3320MHZ 20PF SMD | HC49/4HSMX | 4.332 MHz |
| LFXTAL026900REEL | IQD Frequency Products | CRYSTAL 6.0000MHZ 16PF SMD | HC49/4HSMX | 6 MHz |
| LFXTAL069395REEL | IQD Frequency Products | CRYSTAL 16.3840MHZ 10PF SMD | CFPX-218 | 16.384 MHz |
| LFXTAL069493REEL | IQD Frequency Products | CRYSTAL 24.0000MHZ 10PF SMD | IQXC-42 | 24 MHz |
| LFXTAL082080Reel | IQD Frequency Products | CRYSTAL 19.2000MHZ 10PF SMD | CFPX-218 | 19.2 MHz |
| LFXTAL072543REEL | IQD Frequency Products | CRYSTAL 27.0000MHZ 10PF SMD | IQXC-42 | 27 MHz |
| LFXTAL082078Reel | IQD Frequency Products | CRYSTAL 50.0000MHZ 8PF SMD | CFPX-180 | 50 MHz |
| LFXTAL053798REEL | IQD Frequency Products | CRYSTAL 24.0000MHZ 18PF SMD | CFPX-104 | 24 MHz |
| LFXTAL026396REEL | IQD Frequency Products | CRYSTAL 24.5760MHZ 16PF SMD | 12SMX-B | 24.576 MHz |
| LFXTAL059638REEL | IQD Frequency Products | CRYSTAL 20.0000MHZ 18PF SMD | CFPX-180 | 20 MHz |
| LFXTAL003334REEL | IQD Frequency Products | CRYSTAL 7.3728MHZ 16PF SMD | HC49/4HSMX | 7.3728 MHz |
| LFXTAL015055REEL | IQD Frequency Products | CRYSTAL 16.0000MHZ 20PF SMD | HC49/4HSMX | 16 MHz |
| LFXTAL082069RL3K | IQD Frequency Products | CRYSTAL 12.0000MHZ 8PF SMD | CFPX-180 | 12 MHz |
| LFXTAL059643REEL | IQD Frequency Products | CRYSTAL 26.0000MHZ 18PF SMD | CFPX-180 | 26 MHz |
| LFXTAL069390REEL | IQD Frequency Products | CRYSTAL 32.0000MHZ 10PF SMD | CFPX-218 | 32 MHz |
| LFXTAL082077Reel | IQD Frequency Products | CRYSTAL 40.0000MHZ 8PF SMD | CFPX-180 | 40 MHz |
| LFXTAL081865Reel | IQD Frequency Products | CRYSTAL 26.0000MHZ 10PF SMD | CFPX-218 | 26 MHz |
| LFXTAL033575REEL | IQD Frequency Products | CRYSTAL 7.3728MHZ 18PF SMD | HC49/4HSMX | 7.3728 MHz |
| LFXTAL055474REEL | IQD Frequency Products | CRYSTAL 25.0000MHZ 16PF SMD | CFPX-180 | 25 MHz |
| LFXTAL083138RL3K | IQD Frequency Products | CRYSTAL 8.0000MHZ 12PF SMD | CFPX-180 | 8 MHz |
| LFXTAL058637RL3K | IQD Frequency Products | CRYSTAL 25.0000MHZ 12PF SMD | CFPX-180 | 25 MHz |
| LFXTAL059611RL3K | IQD Frequency Products | CRYSTAL 13.5600MHZ 18PF SMD | CFPX-180 | 13.56 MHz |
| LFXTAL072541REEL | IQD Frequency Products | CRYSTAL 27.0000MHZ 8PF SMD | IQXC-26 | 27 MHz |
| LFXTAL071952REEL | IQD Frequency Products | CRYSTAL 12.0000MHZ 10PF SMD | CFPX-218 | 12 MHz |
| LFXTAL071266REEL | IQD Frequency Products | CRYSTAL 48.0000MHZ 10PF SMD | IQXC-42 AUTO | 48 MHz |
| LFXTAL072604REEL | IQD Frequency Products | CRYSTAL 25.0000MHZ 8PF SMD | CFPX-180 | 25 MHz |
| LFXTAL054555REEL | IQD Frequency Products | CRYSTAL 25.0000MHZ 20PF SMD | HC49/4HSMX | 25 MHz |
| LFXTAL069882REEL | IQD Frequency Products | CRYSTAL 12.0000MHZ 10PF SMD | CFPX-180 | 12 MHz |
| LFXTAL069494REEL | IQD Frequency Products | CRYSTAL 25.0000MHZ 10PF SMD | IQXC-42 | 25 MHz |
| LFXTAL053866REEL | IQD Frequency Products | CRYSTAL 48.0000MHZ 18PF SMD | CFPX-180 | 48 MHz |
| LFXTAL083408RL3K | IQD Frequency Products | CRYSTAL 25.0000MHZ 12PF SMD | CFPX-180 | 25 MHz |
| LFXTAL068911REEL | IQD Frequency Products | CRYSTAL 25.0000MHZ 18PF SMD | CFPX-180 | 25 MHz |
| LFXTAL083407RL3K | IQD Frequency Products | CRYSTAL 24.0000MHZ 12PF SMD | CFPX-180 | 24 MHz |
| LFXTAL003071REEL | IQD Frequency Products | CRYSTAL 4.0000MHZ 16PF SMD | HC49/4HSMX | 4 MHz |
| LFXTAL033416REEL | IQD Frequency Products | CRYSTAL 6.0000MHZ 18PF SMD | HC49/4HSMX | 6 MHz |
| LFXTAL019833REEL | IQD Frequency Products | CRYSTAL 4.0000MHZ 20PF SMD | HC49/4HSMX | 4 MHz |
| LFXTAL071268REEL | IQD Frequency Products | CRYSTAL 16.0000MHZ 10PF SMD | CFPX-218 AUTO | 16 MHz |
| LFXTAL059528REEL | IQD Frequency Products | CRYSTAL 16.3840MHZ 18PF SMD | CFPX-104 | 16.384 MHz |
| LFXTAL082132RL3K | IQD Frequency Products | CRYSTAL 40.0000MHZ 8PF SMD | IQXC-42 | 40 MHz |
| LFXTAL057997REEL | IQD Frequency Products | CRYSTAL 16.0000MHZ 10PF SMD | CFPX-180 | 16 MHz |
| LFXTAL069405REEL | IQD Frequency Products | CRYSTAL 27.0000MHZ 18PF SMD | CFPX-218 | 27 MHz |
| LFXTAL059591REEL | IQD Frequency Products | CRYSTAL 26.0000MHZ 10PF SMD | IQXC-42 | 26 MHz |
| LFXTAL063334REEL | IQD Frequency Products | CRYSTAL 25.0000MHZ 10PF SMD | CFPX-218 | 25 MHz |
| LFXTAL072402REEL | IQD Frequency Products | CRYSTAL 10.0000MHZ 18PF SMD | CFPX-104 | 10 MHz |
| LFXTAL056583REEL | IQD Frequency Products | CRYSTAL 10.0000MHZ 12PF SMD | CFPX-104 | 10 MHz |
| LFXTAL069804REEL | IQD Frequency Products | CRYSTAL 12.0000MHZ 18PF SMD | HC49/4HSMX | 12 MHz |
| LFXTAL078542REEL | IQD Frequency Products | CRYSTAL 4.0000MHZ 20PF SMD | HC49/4HSMX | 4 MHz |
| LFXTAL003387REEL | IQD Frequency Products | CRYSTAL 24.5760MHZ 20PF SMD | HC49/4HSMX | 24.576 MHz |
| LFXTAL034654REEL | IQD Frequency Products | CRYSTAL 4.0000MHZ 18PF SMD | HC49/4HSMX | 4 MHz |
| LFXTAL060055REEL | IQD Frequency Products | CRYSTAL 24.0000MHZ 18PF SMD | IQXC-41 | 24 MHz |
| LFXTAL081616Reel | IQD Frequency Products | CRYSTAL 37.4000MHZ 8PF SMD | IQXC-26 | 37.4 MHz |
| LFXTAL057824REEL | IQD Frequency Products | CRYSTAL 27.0000MHZ 18PF SMD | CFPX-180 | 27 MHz |
| LFXTAL059529REEL | IQD Frequency Products | CRYSTAL 18.4320MHZ 18PF SMD | CFPX-104 | 18.432 MHz |
| LFXTAL059539REEL | IQD Frequency Products | CRYSTAL 48.0000MHZ 18PF SMD | CFPX-104 | 48 MHz |
| LFXTAL066198REEL | IQD Frequency Products | CRYSTAL 32.7680KHZ 9PF SMD | IQXC-90 | 32.768 kHz |
| LFXTAL009678REEL | IQD Frequency Products | CRYSTAL 32.7680KHZ 12.5PF SMD | CFPX-217 | 32.768 kHz |
| LFXTAL084884REEL | IQD Frequency Products | 32.7680KHZ CRYSTAL IQXC-217 | IQXC-217 | 32.768 kHz |
| LFXTAL084885REEL | IQD Frequency Products | 32.7680KHZ CRYSTAL IQXC-217 | IQXC-217 | 32.768 kHz |
| LFXTAL029914REEL | IQD Frequency Products | CRYSTAL 8.0000MHZ 16PF SMD | HC49/4HSMX | 8 MHz |
| LFXTAL036274REEL | IQD Frequency Products | CRYSTAL 8.0000MHZ 18PF SMD | HC49/4HSMX | 8 MHz |
| LFXTAL056855REEL | IQD Frequency Products | CRYSTAL 13.0000MHZ 18PF SMD | HC49/4HSMX | 13 MHz |
| LFXTAL032542REEL | IQD Frequency Products | CRYSTAL 3.579545MHZ 18PF SMD | HC49/4HSMX | 3.579545 MHz |
| LFXTAL030798REEL | IQD Frequency Products | CRYSTAL 3.6864MHZ 16PF SMD | HC49/4HSMX | 3.6864 MHz |
| LFXTAL055999REEL | IQD Frequency Products | CRYSTAL 12.0000MHZ 18PF SMD | CFPX-104 | 12 MHz |
| LFXTAL082075Reel | IQD Frequency Products | CRYSTAL 30.0000MHZ 8PF SMD | CFPX-180 | 30 MHz |
| LFXTAL069407REEL | IQD Frequency Products | CRYSTAL 30.0000MHZ 10PF SMD | CFPX-218 | 30 MHz |
| LFXTAL072787REEL | IQD Frequency Products | CRYSTAL 50.0000MHZ 18PF SMD | CFPX-180 | 50 MHz |
| LFXTAL071261REEL | IQD Frequency Products | CRYSTAL 27.0000MHZ 10PF SMD | IQXC-42 AUTO | 27 MHz |
| LFXTAL036401REEL | IQD Frequency Products | CRYSTAL 12.0000MHZ 18PF SMD | CFPX-104 | 12 MHz |
| LFXTAL073264Reel | IQD Frequency Products | CRYSTAL 32.7680KHZ 6PF SMD | IQXC-25 | 32.768 kHz |
| LFXTAL055299REEL | IQD Frequency Products | CRYSTAL 25.0000MHZ 18PF SMD | CFPX-180 | 25 MHz |
| LFXTAL082071Reel | IQD Frequency Products | CRYSTAL 16.0000MHZ 8PF SMD | CFPX-180 | 16 MHz |
| LFXTAL071260REEL | IQD Frequency Products | CRYSTAL 26.0000MHZ 10PF SMD | IQXC-42 AUTO | 26 MHz |
| LFXTAL069404REEL | IQD Frequency Products | CRYSTAL 19.2000MHZ 10PF SMD | CFPX-218 | 19.2 MHz |
| LFXTAL059613REEL | IQD Frequency Products | CRYSTAL 14.31818MHZ 18PF SMD | CFPX-180 | 14.31818 MHz |
| LFXTAL061647REEL | IQD Frequency Products | CRYSTAL 12.0000MHZ 12PF SMD | CFPX-180 | 12 MHz |
| LFXTAL059526REEL | IQD Frequency Products | CRYSTAL 14.31818MHZ 18PF SMD | CFPX-104 | 14.31818 MHz |
| LFXTAL059535REEL | IQD Frequency Products | CRYSTAL 32.0000MHZ 18PF SMD | CFPX-104 | 32 MHz |
| LFXTAL059530REEL | IQD Frequency Products | CRYSTAL 24.0000MHZ 18PF SMD | CFPX-104 | 24 MHz |
| LFXTAL011301REEL | IQD Frequency Products | CRYSTAL 8.0000MHZ 30PF SMD | HC49/4HSMX | 8 MHz |
| LFXTAL003237REEL | IQD Frequency Products | CRYSTAL 16.0000MHZ 16PF SMD | HC49/4HSMX | 16 MHz |
| LFXTAL026902REEL | IQD Frequency Products | CRYSTAL 8.1920MHZ 16PF SMD | HC49/4HSMX | 8.192 MHz |
| LFXTAL028392REEL | IQD Frequency Products | CRYSTAL 4.9152MHZ 18PF SMD | HC49/4HSMX | 4.9152 MHz |
| LFXTAL071750REEL | IQD Frequency Products | CRYSTAL 20.0000MHZ 8PF SMD | IQXC-180 AUTO | 20 MHz |
| LFXTAL026388REEL | IQD Frequency Products | CRYSTAL 14.7456MHZ 16PF SMD | 12SMX-B | 14.7456 MHz |
| LFXTAL072546REEL | IQD Frequency Products | CRYSTAL 48.0000MHZ 10PF SMD | IQXC-42 | 48 MHz |
| LFXTAL069387REEL | IQD Frequency Products | CRYSTAL 24.5760MHZ 10PF SMD | CFPX-218 | 24.576 MHz |
| LFXTAL069392REEL | IQD Frequency Products | CRYSTAL 16.0000MHZ 10PF SMD | CFPX-218 | 16 MHz |
| LFXTAL082084Reel | IQD Frequency Products | CRYSTAL 27.0000MHZ 10PF SMD | CFPX-218 | 27 MHz |
| LFXTAL078719Reel | IQD Frequency Products | CRYSTAL 25.0000MHZ 10PF SMD | CFPX-218 | 25 MHz |
| LFXTAL030820REEL | IQD Frequency Products | CRYSTAL 30.0000MHZ 18PF SMD | CFPX-104 | 30 MHz |
| LFXTAL071257REEL | IQD Frequency Products | CRYSTAL 24.0000MHZ 10PF SMD | IQXC-42 AUTO | 24 MHz |
| LFXTAL059461REEL | IQD Frequency Products | CRYSTAL 32.7680KHZ 7PF SMD | IQXC-25 | 32.768 kHz |
| LFXTAL026548REEL | IQD Frequency Products | CRYSTAL 24.0000MHZ 18PF SMD | HC49/4HSMX | 24 MHz |
| LFXTAL028430REEL | IQD Frequency Products | CRYSTAL 3.2768MHZ 18PF SMD | HC49/4HSMX | 3.2768 MHz |
| LFXTAL028710REEL | IQD Frequency Products | CRYSTAL 20.0000MHZ 18PF SMD | HC49/4HSMX | 20 MHz |
| LFXTAL070065Reel | IQD Frequency Products | CRYSTAL 24.0000MHZ 9PF SMD | CFPX-180 | 24 MHz |
| LFXTAL033075REEL | IQD Frequency Products | CRYSTAL 25.0000MHZ 18PF SMD | CFPX-104 | 25 MHz |
| LFXTAL058149RL3K | IQD Frequency Products | CRYSTAL 24.0000MHZ 10PF SMD | CFPX-180 | 24 MHz |
| LFXTAL069528REEL | IQD Frequency Products | CRYSTAL 48.0000MHZ 8PF SMD | IQXC-26 | 48 MHz |
| LFXTAL082128Reel | IQD Frequency Products | CRYSTAL 30.0000MHZ 8PF SMD | IQXC-42 | 30 MHz |
| LFXTAL066742REEL | IQD Frequency Products | CRYSTAL 26.0000MHZ 8PF SMD | IQXC-26 | 26 MHz |
| LFXTAL082072Reel | IQD Frequency Products | CRYSTAL 20.0000MHZ 8PF SMD | CFPX-180 | 20 MHz |
| LFXTAL062558REEL | IQD Frequency Products | CRYSTAL 32.7680KHZ 9PF SMD | IQXC-25 | 32.768 kHz |
| LFXTAL035293REEL | IQD Frequency Products | CRYSTAL 12.0000MHZ 16PF SMD | HC49/4HSMX | 12 MHz |
| LFXTAL012312REEL | IQD Frequency Products | CRYSTAL 5.0000MHZ 30PF SMD | HC49/4HSMX | 5 MHz |
| LFXTAL019949REEL | IQD Frequency Products | CRYSTAL 5.0000MHZ 20PF SMD | HC49/4HSMX | 5 MHz |
| LFXTAL054208RL3K | IQD Frequency Products | CRYSTAL 12.0000MHZ 10PF SMD | CFPX-180 | 12 MHz |
| LFXTAL082887RL3K | IQD Frequency Products | CRYSTAL 10.0000MHZ 12PF SMD | IQXC-42 | 16 MHz |
| LFXTAL032817REEL | IQD Frequency Products | CRYSTAL 24.0000MHZ 18PF SMD | CFPX-104 | 24 MHz |
| LFXTAL071258REEL | IQD Frequency Products | CRYSTAL 24.5760MHZ 10PF SMD | IQXC-42 AUTO | 24.576 MHz |
| LFXTAL026382REEL | IQD Frequency Products | CRYSTAL 11.0592MHZ 16PF SMD | 12SMX-B | 11.0592 MHz |
| LFXTAL059575REEL | IQD Frequency Products | CRYSTAL 24.5760MHZ 18PF SMD | CFPX-180 | 24.576 MHz |
| LFXTAL035269REEL | IQD Frequency Products | CRYSTAL 30.0000MHZ 16PF SMD | CFPX-180 | 30 MHz |
| LFXTAL057623REEL | IQD Frequency Products | CRYSTAL 24.0000MHZ 8PF SMD | IQXC-180 AUTO | 24 MHz |
| LFXTAL059523REEL | IQD Frequency Products | CRYSTAL 12.2880MHZ 18PF SMD | CFPX-104 | 12.288 MHz |
| LFXTAL071269REEL | IQD Frequency Products | CRYSTAL 24.5760MHZ 10PF SMD | CFPX-218 AUTO | 24.576 MHz |
| LFXTAL017146REEL | IQD Frequency Products | CRYSTAL 20.0000MHZ 30PF SMD | HC49/4HSMX | 20 MHz |
| LFXTAL003058REEL | IQD Frequency Products | CRYSTAL 3.579545MHZ 16PF SMD | HC49/4HSMX | 3.579545 MHz |
| LFXTAL012313REEL | IQD Frequency Products | CRYSTAL 14.7456MHZ 30PF SMD | HC49/4HSMX | 14.7456 MHz |
| LFXTAL011300REEL | IQD Frequency Products | CRYSTAL 4.0000MHZ 30PF SMD | HC49/4HSMX | 4 MHz |
| LFXTAL059980REEL | IQD Frequency Products | CRYSTAL 27.0000MHZ 18PF SMD | HC49/4HSMX | 27 MHz |
| LFXTAL029370REEL | IQD Frequency Products | CRYSTAL 16.0000MHZ 18PF SMD | HC49/4HSMX | 16 MHz |
| LFXTAL028928REEL | IQD Frequency Products | CRYSTAL 11.0592MHZ 20PF SMD | HC49/4HSMX | 11.0592 MHz |
| LFXTAL081609Reel | IQD Frequency Products | CRYSTAL 25.0000MHZ 8PF SMD | IQXC-26 | 25 MHz |
| LFXTAL030819REEL | IQD Frequency Products | CRYSTAL 16.0000MHZ 18PF SMD | CFPX-104 | 16 MHz |
| LFXTAL071259REEL | IQD Frequency Products | CRYSTAL 25.0000MHZ 10PF SMD | IQXC-42 AUTO | 25 MHz |
| LFXTAL071761REEL | IQD Frequency Products | CRYSTAL 26.0000MHZ 8PF SMD | IQXC-180 AUTO | 26 MHz |
| LFXTAL071791REEL | IQD Frequency Products | CRYSTAL 27.0000MHZ 8PF SMD | IQXC-180 AUTO | 27 MHz |
| LFXTAL081619Reel | IQD Frequency Products | CRYSTAL 40.0000MHZ 8PF SMD | IQXC-26 | 40 MHz |
| LFXTAL035503REEL | IQD Frequency Products | CRYSTAL 16.3840MHZ 16PF SMD | CFPX-180 | 16.384 MHz |
| LFXTAL069377REEL | IQD Frequency Products | CRYSTAL 32.0000MHZ 18PF SMD | CFPX-180 | 32 MHz |
| LFXTAL060843REEL | IQD Frequency Products | CRYSTAL 50.0000MHZ 10PF SMD | CFPX-180 | 50 MHz |
| LFXTAL035266REEL | IQD Frequency Products | CRYSTAL 24.0000MHZ 16PF SMD | CFPX-180 | 24 MHz |
| LFXTAL059666REEL | IQD Frequency Products | CRYSTAL 26.0000MHZ 10PF SMD | CFPX-180 | 26 MHz |
| LFXTAL055316REEL | IQD Frequency Products | CRYSTAL 16.0000MHZ 10PF SMD | CFPX-180 | 16 MHz |
| LFXTAL061627REEL | IQD Frequency Products | CRYSTAL 8.0000MHZ 16PF SMD | CFPX-104 | 8 MHz |
| LFXTAL033265REEL | IQD Frequency Products | CRYSTAL 20.0000MHZ 18PF SMD | CFPX-104 | 20 MHz |
| LFXTAL071256REEL | IQD Frequency Products | CRYSTAL 20.0000MHZ 10PF SMD | IQXC-42 AUTO | 20 MHz |
| LFXTAL026392REEL | IQD Frequency Products | CRYSTAL 16.0000MHZ 16PF SMD | 12SMX-B | 16 MHz |
| LFXTAL065455Reel | IQD Frequency Products | CRYSTAL 32.7680KHZ 6PF SMD | IQXC-25 | 32.768 kHz |
| LFXTAL071255REEL | IQD Frequency Products | CRYSTAL 16.0000MHZ 10PF SMD | IQXC-42 AUTO | 16 MHz |
| LFXTAL003074BULK | IQD Frequency Products | CRYSTAL 4.0000MHZ 30PF TH | HC49/4H | 4 MHz |
| LFXTAL003335BULK | IQD Frequency Products | CRYSTAL 7.3728MHZ 30PF TH | HC49/4H | 7.3728 MHz |
| LFXTAL026911BULK | IQD Frequency Products | CRYSTAL 18.4320MHZ 16PF SMD | HC49/4HSMX | 18.432 MHz |
| LFXTAL072404BULK | IQD Frequency Products | CRYSTAL 26.0000MHZ 18PF SMD | CFPX-104 | 26 MHz |
| LFXTAL059535BULK | IQD Frequency Products | CRYSTAL 32.0000MHZ 18PF SMD | CFPX-104 | 32 MHz |
| LFXTAL024944BULK | IQD Frequency Products | CRYSTAL 16.0000MHZ 18PF TH | HC49/4H | 16 MHz |
| LFXTAL003132BULK | IQD Frequency Products | CRYSTAL 6.0000MHZ 30PF TH | HC49/4H | 6 MHz |
| LFXTAL031736BULK | IQD Frequency Products | CRYSTAL 12.0000MHZ 20PF TH | HC49/4H | 12 MHz |
| LFXTAL003224BULK | IQD Frequency Products | CRYSTAL 14.7456MHZ 30PF TH | HC49/4H | 14.7456 MHz |
| LFXTAL003093BULK | IQD Frequency Products | CRYSTAL 4.194304MHZ 12PF TH | HC49/4H | 4.194304 MHz |
| LFXTAL003037BULK | IQD Frequency Products | CRYSTAL 2.0000MHZ 20PF TH | HC49 | 2 MHz |
| LFXTAL078520BULK | IQD Frequency Products | CRYSTAL 3.6864MHZ 18PF TH | HC49/3.5H | 3.6864 MHz |
| LFXTAL026902BULK | IQD Frequency Products | CRYSTAL 8.1920MHZ 16PF SMD | HC49/4HSMX | 8.192 MHz |
| LFXTAL026504BULK | IQD Frequency Products | CRYSTAL 30.0000MHZ 16PF SMD | 12SMX-B | 30 MHz |
| LFXTAL025159REEL | IQD Frequency Products | CRYSTAL 32.7680KHZ 12.5PF SMD | CFPX-56 | 32.768 kHz |
| LFXTAL002996BULK | IQD Frequency Products | CRYSTAL 32.7680KHZ 12.5PF TH | WATCH | 32.768 kHz |
| LFXTAL036229Reel | IQD Frequency Products | CRYSTAL 9PF SURFACE MOUNT | CFPX-180 | - |
這給出了6.9pF負載的數字。這遠遠低于要求 圖12.5pF,但是邏輯的輸入和輸出引腳 大門呈現出明顯的負荷。這些附加值需要 添加到6.9pF。這些負載通常在3pF到 每個引腳4pF,但最高可達10pF,具體取決于邏輯 家庭使用。這些額外負載以及中的雜散電容 電路總計約為12.5pF。
如果需要可微調振蕩器,22pF輸出電容可以 由一個與2pF至22pF并聯的固定10pF電容代替 微調器。為獲得最佳結果,應使用NPO、COG或類似的低溫高效電介質電容,以獲得最佳穩定性。
對這種振蕩器的一個經常表達的要求是 公差,通常是在沒有規定的布局中 對于修剪器來說。除了電容容差的影響,還必須 意識到因為它們的值較低,所以有些可變 歸因于IC的阻抗將導致某種程度的不確定性 相移,因此振蕩頻率。推薦使用修剪器 因此,如果需要優于50ppm的精度, 而不考慮實際的晶體公差。
| LFXTAL003181BULK | IQD Frequency Products | CRYSTAL 20.0000MHZ 16PF SMD | HC49/4HSMX | 20 MHz |
| LFXTAL026548BULK | IQD Frequency Products | CRYSTAL 24.0000MHZ 18PF SMD | HC49/4HSMX | 24 MHz |
| LFXTAL003186BULK | IQD Frequency Products | CRYSTAL 20.0000MHZ 20PF TH | HC49/4H | 20 MHz |
| LFXTAL003325BULK | IQD Frequency Products | CRYSTAL 24.0000MHZ 30PF TH | HC49/4H | 24 MHz |
| LFXTAL010595BULK | IQD Frequency Products | CRYSTAL 25.0000MHZ 16PF SMD | HC49/4HSMX | 25 MHz |
| LFXTAL012504BULK | IQD Frequency Products | CRYSTAL 24.0000MHZ 16PF SMD | HC49/4HSMX | 24 MHz |
| LFXTAL078435BULK | IQD Frequency Products | CRYSTAL 20.0000MHZ 20PF TH | HC49/3.5H | 20 MHz |
| LFXTAL003169BULK | IQD Frequency Products | CRYSTAL 10.0000MHZ 30PF TH | HC49/4H | 10 MHz |
| LFXTAL003166BULK | IQD Frequency Products | CRYSTAL 10.0000MHZ 16PF SMD | HC49/4HSMX | 10 MHz |
| LFXTAL033643BULK | IQD Frequency Products | CRYSTAL 14.31818MHZ 18PF SMD | CFPX-104 | 14.31818 MHz |
| LFXTAL024901BULK | IQD Frequency Products | CRYSTAL 25.0000MHZ 22PF TH | HC49/4H | 25 MHz |
| LFXTAL012313BULK | IQD Frequency Products | CRYSTAL 14.7456MHZ 30PF SMD | HC49/4HSMX | 14.7456 MHz |
| LFXTAL010689BULK | IQD Frequency Products | CRYSTAL 7.3728MHZ 30PF SMD | HC49/4HSMX | 7.3728 MHz |
| LFXTAL003260BULK | IQD Frequency Products | CRYSTAL 3.6864MHZ 16PF SMD | HC49/4HSMX | 3.6864 MHz |
| LFXTAL003185BULK | IQD Frequency Products | CRYSTAL 20.0000MHZ 12PF TH | HC49/4H | 20 MHz |
| LFXTAL003312BULK | IQD Frequency Products | CRYSTAL 22.1184MHZ SERIES TH | HC49 | 22.1184 MHz |
| LFXTAL003210BULK | IQD Frequency Products | CRYSTAL 12.0000MHZ 16PF SMD | HC49/4HSMX | 12 MHz |
| LFXTAL026900BULK | IQD Frequency Products | CRYSTAL 6.0000MHZ 16PF SMD | HC49/4HSMX | 6 MHz |
| LFXTAL059539BULK | IQD Frequency Products | CRYSTAL 48.0000MHZ 18PF SMD | CFPX-104 | 48 MHz |
| LFXTAL003240BULK | IQD Frequency Products | CRYSTAL 16.0000MHZ 30PF TH | HC49/4H | 16 MHz |
| LFXTAL003092BULK | IQD Frequency Products | CRYSTAL 4.194304MHZ 30PF TH | HC49/4H | 4.194304 MHz |
| LFXTAL078427BULK | IQD Frequency Products | CRYSTAL 8.0000MHZ 18PF TH | HC49/3.5H | 8 MHz |
| LFXTAL027298BULK | IQD Frequency Products | CRYSTAL 4.0000MHZ 18PF TH | HC49/4H | 4 MHz |
| LFXTAL003279BULK | IQD Frequency Products | CRYSTAL 9.8304MHZ 30PF TH | HC49/4H | 9.8304 MHz |
| LFXTAL003164BULK | IQD Frequency Products | CRYSTAL 10.0000MHZ 30PF TH | HC49 | 10 MHz |
| LFXTAL003056BULK | IQD Frequency Products | CRYSTAL 3.579545MHZ 20PF TH | HC49 | 3.579545 MHz |
| LFXTAL078426BULK | IQD Frequency Products | CRYSTAL 11.0592MHZ 30PF TH | HC49/3.5H | 11.0592 MHz |
| LFXTAL026382BULK | IQD Frequency Products | CRYSTAL 11.0592MHZ 16PF SMD | 12SMX-B | 11.0592 MHz |
| LFXTAL078434BULK | IQD Frequency Products | CRYSTAL 20.0000MHZ 20PF TH | HC49/3.5H | 20 MHz |
| LFXTAL031646BULK | IQD Frequency Products | CRYSTAL 13.0000MHZ 18PF TH | HC49/4H | 13 MHz |
| LFXTAL003086BULK | IQD Frequency Products | CRYSTAL 4.194304MHZ 12PF TH | HC49 | 4.194304 MHz |
| LFXTAL003519BULK | IQD Frequency Products | CRYSTAL 11.0592MHZ 16PF SMD | HC49/4HSMX | 11.0592 MHz |
| LFXTAL027945BULK | IQD Frequency Products | CRYSTAL 16.0000MHZ 22PF TH | HC49/4H | 16 MHz |
| LFXTAL078430BULK | IQD Frequency Products | CRYSTAL 4.0000MHZ 20PF TH | HC49/3.5H | 4 MHz |
| LFXTAL012873BULK | IQD Frequency Products | CRYSTAL 2.4576MHZ 32PF TH | HC49 | 2.4576 MHz |
| LFXTAL003215BULK | IQD Frequency Products | CRYSTAL 12.0000MHZ 30PF TH | HC49/4H | 12 MHz |
| LFXTAL010043BULK | IQD Frequency Products | CRYSTAL 12.0000MHZ 30PF SMD | HC49/4HSMX | 12 MHz |
| LFXTAL011300BULK | IQD Frequency Products | CRYSTAL 4.0000MHZ 30PF SMD | HC49/4HSMX | 4 MHz |
| LFXTAL003071BULK | IQD Frequency Products | CRYSTAL 4.0000MHZ 16PF SMD | HC49/4HSMX | 4 MHz |
| LFXTAL030820BULK | IQD Frequency Products | CRYSTAL 30.0000MHZ 18PF SMD | CFPX-104 | 30 MHz |
| LFXTAL025159BULK | IQD Frequency Products | CRYSTAL 32.7680KHZ 12.5PF TH | CFPX-56 | 32.768 kHz |
| LFXTAL003156BULK | IQD Frequency Products | CRYSTAL 8.0000MHZ 30PF TH | HC49/4H | 8 MHz |
| LFXTAL003523BULK | IQD Frequency Products | CRYSTAL 11.0592MHZ 30PF TH | HC49/4H | 11.0592 MHz |
| LFXTAL036075BULK | IQD Frequency Products | CRYSTAL 27.1200MHZ 10PF TH | HC49/4H | 27.12 MHz |
| LFXTAL003320BULK | IQD Frequency Products | CRYSTAL 24.0000MHZ SERIES TH | HC49 | 24 MHz |
| LFXTAL003033BULK | IQD Frequency Products | CRYSTAL 1.8432MHZ 30PF TH | HC49 | 1.8432 MHz |
| LFXTAL003263BULK | IQD Frequency Products | CRYSTAL 3.6864MHZ 30PF TH | HC49/4H | 3.6864 MHz |
| LFXTAL003137BULK | IQD Frequency Products | CRYSTAL 6.1440MHZ 30PF TH | HC49/4H | 6.144 MHz |
| LFXTAL003084BULK | IQD Frequency Products | CRYSTAL 4.0960MHZ 30PF TH | HC49/4H | 4.096 MHz |
| LFXTAL003119BULK | IQD Frequency Products | CRYSTAL 5.0000MHZ 30PF TH | HC49/4H | 5 MHz |
| LFXTAL003237BULK | IQD Frequency Products | CRYSTAL 16.0000MHZ 16PF SMD | HC49/4HSMX | 16 MHz |
| LFXTAL003206BULK | IQD Frequency Products | CRYSTAL 12.0000MHZ 30PF TH | HC49 | 12 MHz |
| LFXTAL003200BULK | IQD Frequency Products | CRYSTAL 14.31818MHZ 30PF TH | HC49/4H | 14.31818 MHz |
| LFXTAL017146BULK | IQD Frequency Products | CRYSTAL 20.0000MHZ 30PF SMD | HC49/4HSMX | 20 MHz |
| LFXTAL028710BULK | IQD Frequency Products | CRYSTAL 20.0000MHZ 18PF SMD | HC49/4HSMX | 20 MHz |
| LFXTAL059537BULK | IQD Frequency Products | CRYSTAL 40.0000MHZ 18PF SMD | CFPX-104 | 40 MHz |
| LFXTAL033645BULK | IQD Frequency Products | CRYSTAL 40.0000MHZ 18PF SMD | CFPX-104 | 40 MHz |
| LFXTAL003134BULK | IQD Frequency Products | CRYSTAL 6.1440MHZ 30PF TH | HC49 | 6.144 MHz |
| LFXTAL003176BULK | IQD Frequency Products | CRYSTAL 18.4320MHZ 30PF TH | HC49/4H | 18.432 MHz |
| LFXTAL003257BULK | IQD Frequency Products | CRYSTAL 3.6864MHZ 30PF TH | HC49 | 3.6864 MHz |
| LFXTAL018496BULK | IQD Frequency Products | CRYSTAL 11.0592MHZ 18PF TH | HC49/4H | 11.0592 MHz |
| LFXTAL059528BULK | IQD Frequency Products | CRYSTAL 16.3840MHZ 18PF SMD | CFPX-104 | 16.384 MHz |
| LFXTAL003102BULK | IQD Frequency Products | CRYSTAL 4.433619MHZ 20PF TH | HC49/4H | 4.433619 MHz |
| LFXTAL058383BULK | IQD Frequency Products | CRYSTAL 16.0000MHZ 20PF TH | HC49/4H | 16 MHz |
| LFXTAL003386BULK | IQD Frequency Products | CRYSTAL 24.5760MHZ 30PF TH | HC49 | 24.576 MHz |
| LFXTAL003110BULK | IQD Frequency Products | CRYSTAL 4.9152MHZ 30PF TH | HC49 | 4.9152 MHz |
| LFXTAL026394BULK | IQD Frequency Products | CRYSTAL 20.0000MHZ 16PF SMD | 12SMX-B | 20 MHz |
| LFXTAL078432BULK | IQD Frequency Products | CRYSTAL 16.0000MHZ 20PF TH | HC49/3.5H | 16 MHz |
| LFXTAL003068BULK | IQD Frequency Products | CRYSTAL 4.0000MHZ 30PF TH | HC49 | 4 MHz |
| LFXTAL003151BULK | IQD Frequency Products | CRYSTAL 8.0000MHZ 16PF SMD | HC49/4HSMX | 8 MHz |
| LFXTAL059530BULK | IQD Frequency Products | CRYSTAL 24.0000MHZ 18PF SMD | CFPX-104 | 24 MHz |
| LFXTAL033075BULK | IQD Frequency Products | CRYSTAL 25.0000MHZ 18PF SMD | CFPX-104 | 25 MHz |
| LFXTAL059523BULK | IQD Frequency Products | CRYSTAL 12.2880MHZ 18PF SMD | CFPX-104 | 12.288 MHz |
| LFXTAL003115BULK | IQD Frequency Products | CRYSTAL 4.9152MHZ 30PF TH | HC49/4H | 4.9152 MHz |
| LFXTAL078570BULK | IQD Frequency Products | CRYSTAL 10.0000MHZ 18PF TH | HC49/3.5H | 10 MHz |
| LFXTAL078521BULK | IQD Frequency Products | CRYSTAL 8.0000MHZ 20PF TH | HC49/3.5H | 8 MHz |
| LFXTAL063075BULK | IQD Frequency Products | CRYSTAL 17.2032MHZ 22PF SMD | HC49/4HSMX | 17.2032 MHz |
| LFXTAL003174BULK | IQD Frequency Products | CRYSTAL 18.4320MHZ SERIES TH | HC49 | 18.432 MHz |
| LFXTAL021675BULK | IQD Frequency Products | CRYSTAL 10.0000MHZ 18PF SMD | HC49/4HSMX | 10 MHz |
| LFXTAL018153BULK | IQD Frequency Products | CRYSTAL 4.9152MHZ 16PF SMD | HC49/4HSMX | 4.9152 MHz |
| LFXTAL014219BULK | IQD Frequency Products | CRYSTAL 32.7680KHZ 6PF TH | WATCH | 32.768 kHz |
| LFXTAL003342BULK | IQD Frequency Products | CRYSTAL 30.0000MHZ SERIES TH | HC49 | 30 MHz |
| LFXTAL003387BULK | IQD Frequency Products | CRYSTAL 24.5760MHZ 20PF SMD | HC49/4HSMX | 24.576 MHz |
| LFXTAL020423BULK | IQD Frequency Products | CRYSTAL 8.0000MHZ 18PF SMD | HC49/4HSMX | 8 MHz |
| LFXTAL003231BULK | IQD Frequency Products | CRYSTAL 16.0000MHZ 30PF TH | HC49 | 16 MHz |
| LFXTAL014948BULK | IQD Frequency Products | CRYSTAL 27.1200MHZ 10PF TH | HC49/4H | 27.12 MHz |
| LFXTAL003327BULK | IQD Frequency Products | CRYSTAL 11.0000MHZ 30PF TH | HC49 | 11 MHz |
| LFXTAL003329BULK | IQD Frequency Products | CRYSTAL 7.3728MHZ 30PF TH | HC49 | 7.3728 MHz |
| LFXTAL028392BULK | IQD Frequency Products | CRYSTAL 4.9152MHZ 18PF SMD | HC49/4HSMX | 4.9152 MHz |
| LFXTAL011301BULK | IQD Frequency Products | CRYSTAL 8.0000MHZ 30PF SMD | HC49/4HSMX | 8 MHz |
| LFXTAL012312BULK | IQD Frequency Products | CRYSTAL 5.0000MHZ 30PF SMD | HC49/4HSMX | 5 MHz |
| LFXTAL024985BULK | IQD Frequency Products | CRYSTAL 3.2768MHZ 12PF TH | HC49/4H | 3.2768 MHz |
| LFXTAL078424BULK | IQD Frequency Products | CRYSTAL 16.0000MHZ 20PF TH | HC49/3.5H | 16 MHz |
| LFXTAL003118BULK | IQD Frequency Products | CRYSTAL 5.0000MHZ 30PF TH | HC49 | 5 MHz |
| LFXTAL003051BULK | IQD Frequency Products | CRYSTAL 3.2768MHZ 12PF TH | HC49 | 3.2768 MHz |
| LFXTAL078574BULK | IQD Frequency Products | CRYSTAL 24.0000MHZ 20PF TH | HC49/3.5H | 24 MHz |
| LFXTAL078519BULK | IQD Frequency Products | CRYSTAL 11.0592MHZ 20PF TH | HC49/3.5H | 11.0592 MHz |
| LFXTAL017145BULK | IQD Frequency Products | CRYSTAL 10.0000MHZ 30PF SMD | HC49/4HSMX | 10 MHz |
| LFXTAL016788BULK | IQD Frequency Products | CRYSTAL 6.0000MHZ 30PF SMD | HC49/4HSMX | 6 MHz |
| LFXTAL055663BULK | IQD Frequency Products | CRYSTAL 8.0000MHZ 18PF SMD | CFPX-104 | 8 MHz |
| LFXTAL059531BULK | IQD Frequency Products | CRYSTAL 24.5760MHZ 18PF SMD | CFPX-104 | 24.576 MHz |
| LFXTAL033265BULK | IQD Frequency Products | CRYSTAL 20.0000MHZ 18PF SMD | CFPX-104 | 20 MHz |
| LFXTAL003515BULK | IQD Frequency Products | CRYSTAL 11.0592MHZ 20PF TH | HC49 | 11.0592 MHz |
| LFXTAL003179BULK | IQD Frequency Products | CRYSTAL 20.0000MHZ SERIES TH | HC49 | 20 MHz |
| LFXTAL003177BULK | IQD Frequency Products | CRYSTAL 20.0000MHZ 30PF TH | HC49 | 20 MHz |
| LFXTAL003147BULK | IQD Frequency Products | CRYSTAL 8.0000MHZ 30PF TH | HC49 | 8 MHz |
| LFXTAL036356BULK | IQD Frequency Products | CRYSTAL 12.0000MHZ 18PF SMD | HC49/4HSMX | 12 MHz |
| LFXTAL032878BULK | IQD Frequency Products | CRYSTAL 12.0000MHZ 18PF SMD | CFPX-104 | 12 MHz |
| LFXTAL059532BULK | IQD Frequency Products | CRYSTAL 25.0000MHZ 18PF SMD | CFPX-104 | 25 MHz |
| LFXTAL033328BULK | IQD Frequency Products | CRYSTAL 14.7456MHZ 18PF SMD | CFPX-104 | 14.7456 MHz |
| LFXTAL026392BULK | IQD Frequency Products | CRYSTAL 16.0000MHZ 16PF SMD | 12SMX-B | 16 MHz |
| LFXTAL078428BULK | IQD Frequency Products | CRYSTAL 8.0000MHZ 20PF TH | HC49/3.5H | 8 MHz |
| LFXTAL003099BULK | IQD Frequency Products | CRYSTAL 4.433619MHZ 20PF TH | HC49 | 4.433619 MHz |
| LFXTAL032341BULK | IQD Frequency Products | CRYSTAL 10.0000MHZ 18PF TH | HC49/4H | 10 MHz |
| LFXTAL078431BULK | IQD Frequency Products | CRYSTAL 8.0000MHZ 20PF TH | HC49/3.5H | 8 MHz |
| LFXTAL003277BULK | IQD Frequency Products | CRYSTAL 9.8304MHZ 30PF TH | HC49 | 9.8304 MHz |
| LFXTAL003063BULK | IQD Frequency Products | CRYSTAL 3.579545MHZ 20PF TH | HC49/4H | 3.579545 MHz |
| LFXTAL003127BULK | IQD Frequency Products | CRYSTAL 6.0000MHZ 30PF TH | HC49 | 6 MHz |
| LFXTAL036900BULK | IQD Frequency Products | CRYSTAL 4.0000MHZ 30PF TH | HC49/4H | 4 MHz |
| LFXTAL003334BULK | IQD Frequency Products | CRYSTAL 7.3728MHZ 16PF SMD | HC49/4HSMX | 7.3728 MHz |
| LFXTAL059522BULK | IQD Frequency Products | CRYSTAL 12.0000MHZ 18PF SMD | CFPX-104 | 12 MHz |
| LFXTAL032817BULK | IQD Frequency Products | CRYSTAL 24.0000MHZ 18PF SMD | CFPX-104 | 24 MHz |
| LFXTAL026388BULK | IQD Frequency Products | CRYSTAL 14.7456MHZ 16PF SMD | 12SMX-B | 14.7456 MHz |
| LFXTAL026384BULK | IQD Frequency Products | CRYSTAL 12.0000MHZ 16PF SMD | 12SMX-B | 12 MHz |
| LFXTAL059526BULK | IQD Frequency Products | CRYSTAL 14.31818MHZ 18PF SMD | CFPX-104 | 14.31818 MHz |
| LFXTAL033644BULK | IQD Frequency Products | CRYSTAL 24.5760MHZ 18PF SMD | CFPX-104 | 24.576 MHz |
| LFXTAL002995BULK | IQD Frequency Products | CRYSTAL 32.7680KHZ 12.5PF TH | WATCH | 32.768 kHz |
| LFXTAL002997BULK | IQD Frequency Products | CRYSTAL 32.7680KHZ 12.5PF TH | WATCH | 32.768 kHz |
| LFXTAL003286BULK | IQD Frequency Products | CRYSTAL 12.2880MHZ 30PF TH | HC49/4H | 12.288 MHz |
| LFXTAL078433BULK | IQD Frequency Products | CRYSTAL 20.0000MHZ 20PF TH | HC49/3.5H | 20 MHz |
| LFXTAL003058BULK | IQD Frequency Products | CRYSTAL 3.579545MHZ 16PF SMD | HC49/4HSMX | 3.579545 MHz |
| LFXTAL075672REEL | IQD Frequency Products | CRYSTAL 12.0000MHZ 10PF SMD | CFPX-180 | 12 MHz |
| LFXTAL061673REEL | IQD Frequency Products | CRYSTAL 24.0000MHZ 12PF SMD | CFPX-180 | 24 MHz |
| LFXTAL082468Reel | IQD Frequency Products | CRYSTAL 38.4000MHZ 10PF SMD | IQXC-42 | 38.4 MHz |
| LFXTAL050518REEL | IQD Frequency Products | CRYSTAL 12.0000MHZ 12PF SMD | CFPX-104 | 12 MHz |
| LFXTAL071785REEL | IQD Frequency Products | CRYSTAL 25.0000MHZ 8PF SMD | IQXC-180 AUTO | 25 MHz |
| LFXTAL082126Reel | IQD Frequency Products | CRYSTAL 26.0000MHZ 8PF SMD | IQXC-42 | 26 MHz |
| LFXTAL059585REEL | IQD Frequency Products | CRYSTAL 20.0000MHZ 10PF SMD | IQXC-42 | 20 MHz |
| LFXTAL055663REEL | IQD Frequency Products | CRYSTAL 8.0000MHZ 18PF SMD | CFPX-104 | 8 MHz |
| LFXTAL026380REEL | IQD Frequency Products | CRYSTAL 8.0000MHZ 16PF SMD | 12SMX-B | 8 MHz |
| LFXTAL068297REEL | IQD Frequency Products | CRYSTAL 16.0000MHZ 8PF SMD | CFPX-218 | 16 MHz |
| LFXTAL082082Reel | IQD Frequency Products | CRYSTAL 24.0000MHZ 10PF SMD | CFPX-218 | 24 MHz |
| LFXTAL063321REEL | IQD Frequency Products | CRYSTAL 25.0000MHZ 18PF SMD | CFPX-180 | 25 MHz |
| LFXTAL071774REEL | IQD Frequency Products | CRYSTAL 12.0000MHZ 8PF SMD | IQXC-180 AUTO | 12 MHz |
| LFXTAL035522REEL | IQD Frequency Products | CRYSTAL 32.0000MHZ 9PF SMD | CFPX-180 | 32 MHz |
| LFXTAL072844Reel | IQD Frequency Products | CRYSTAL 30.0000MHZ 10PF SMD | CFPX-218 | 30 MHz |
| LFXTAL071742REEL | IQD Frequency Products | CRYSTAL 12.0000MHZ 8PF SMD | IQXC-180 AUTO | 12 MHz |
| LFXTAL055295REEL | IQD Frequency Products | CRYSTAL 12.0000MHZ 18PF SMD | CFPX-180 | 12 MHz |
| LFXTAL064703REEL | IQD Frequency Products | CRYSTAL 24.0000MHZ 18PF SMD | CFPX-180 | 24 MHz |
| LFXTAL063075REEL | IQD Frequency Products | CRYSTAL 17.2032MHZ 22PF SMD | HC49/4HSMX | 17.2032 MHz |
| LFXTAL072352REEL | IQD Frequency Products | CRYSTAL 8.0000MHZ 18PF SMD | 12SMX AUTO | 8 MHz |
| LFXTAL078781RL3K | IQD Frequency Products | CRYSTAL 16.0000MHZ 12PF SMD | CFPX-180 | 16 MHz |
| LFXTAL016178REEL | IQD Frequency Products | CRYSTAL 32.7680KHZ 6PF SMD | 85SMX | 32.768 kHz |
| LFXTAL082135Reel | IQD Frequency Products | CRYSTAL 48.0000MHZ 8PF SMD | IQXC-42 | 48 MHz |
| LFXTAL056140REEL | IQD Frequency Products | CRYSTAL 24.0000MHZ 8PF SMD | IQXC-180 AUTO | 24 MHz |
| LFXTAL061070REEL | IQD Frequency Products | CRYSTAL 12.0000MHZ 18PF SMD | CFPX-180 | 12 MHz |
| LFXTAL003000REEL | IQD Frequency Products | CRYSTAL 32.7680KHZ 12.5PF SMD | 85SMX | 32.768 kHz |
| LFXTAL050632REEL | IQD Frequency Products | CRYSTAL 32.7680KHZ 6PF SMD | 85SMX | 32.768 kHz |
| LFXTAL066431REEL | IQD Frequency Products | CRYSTAL 32.7680KHZ 7PF SMD | IQXC-90 | 32.768 kHz |
| LFXTAL015023REEL | IQD Frequency Products | CRYSTAL 18.4320MHZ 30PF SMD | HC49/4HSMX | 18.432 MHz |
| LFXTAL053099REEL | IQD Frequency Products | CRYSTAL 27.1200MHZ 10PF SMD | CFPX-180 | 27.12 MHz |
| LFXTAL082123Reel | IQD Frequency Products | CRYSTAL 24.0000MHZ 8PF SMD | IQXC-42 | 24 MHz |
| LFXTAL069381REEL | IQD Frequency Products | CRYSTAL 20.0000MHZ 10PF SMD | CFPX-218 | 20 MHz |
| LFXTAL071267REEL | IQD Frequency Products | CRYSTAL 50.0000MHZ 10PF SMD | IQXC-42 AUTO | 50 MHz |
| LFXTAL054236REEL | IQD Frequency Products | CRYSTAL 32.7680KHZ 6PF SMD | CFPX-217 | 32.768 kHz |
| LFXTAL009650REEL | IQD Frequency Products | CRYSTAL 16.0000MHZ 16PF SMD | CFPX-180 | 16 MHz |
| LFXTAL071265REEL | IQD Frequency Products | CRYSTAL 40.0000MHZ 10PF SMD | IQXC-42 AUTO | 40 MHz |
| LFXTAL061633REEL | IQD Frequency Products | CRYSTAL 13.5600MHZ 16PF SMD | CFPX-104 | 13.56 MHz |
| LFXTAL059158REEL | IQD Frequency Products | CRYSTAL 8.0000MHZ 16PF SMD | CFPX-104 | 8 MHz |
| LFXTAL061486REEL | IQD Frequency Products | CRYSTAL 8.1920MHZ 10PF SMD | CFPX-104 | 8.192 MHz |
| LFXTAL009709REEL | IQD Frequency Products | CRYSTAL 32.7680KHZ 7PF SMD | CFPX-217 | 32.768 kHz |
| LFXTAL051755REEL | IQD Frequency Products | CRYSTAL 18.4320MHZ 16PF SMD | HC49/4HSMX | 18.432 MHz |
| LFXTAL059648REEL | IQD Frequency Products | CRYSTAL 40.0000MHZ 18PF SMD | CFPX-180 | 40 MHz |
| LFXTAL009706REEL | IQD Frequency Products | CRYSTAL 32.7680KHZ 9PF SMD | CFPX-217 | 32.768 kHz |
| LFXTAL071744REEL | IQD Frequency Products | CRYSTAL 16.0000MHZ 8PF SMD | IQXC-180 AUTO | 16 MHz |
| LFXTAL053426REEL | IQD Frequency Products | CRYSTAL 16.0000MHZ 8PF SMD | IQXC-180 AUTO | 16 MHz |
| LFXTAL065253REEL | IQD Frequency Products | CRYSTAL 32.7680KHZ 12.5PF SMD | IQXC-90 | 32.768 kHz |
| LFXTAL066834REEL | IQD Frequency Products | CRYSTAL 32.7680KHZ 12.5PF SMD | CFPX-217 | 32.768 kHz |
| LFXTAL051235REEL | IQD Frequency Products | CRYSTAL 16.0000MHZ 18PF SMD | HC49/4HSMX | 16 MHz |
| LFXTAL071272REEL | IQD Frequency Products | CRYSTAL 27.0000MHZ 10PF SMD | CFPX-218 AUTO | 27 MHz |
| LFXTAL056808REEL | IQD Frequency Products | CRYSTAL 20.0000MHZ 18PF SMD | CFPX-104 | 20 MHz |
| LFXTAL026504REEL | IQD Frequency Products | CRYSTAL 30.0000MHZ 16PF SMD | 12SMX-B | 30 MHz |
| LFXTAL071758REEL | IQD Frequency Products | CRYSTAL 25.0000MHZ 8PF SMD | IQXC-180 AUTO | 25 MHz |
| LFXTAL056516REEL | IQD Frequency Products | CRYSTAL 8.0000MHZ 12PF SMD | 12SMX-B | 8 MHz |
| LFXTAL055962REEL | IQD Frequency Products | CRYSTAL 30.0000MHZ 12PF SMD | CFPX-180 | 30 MHz |
| LFXTAL073664REEL | IQD Frequency Products | CRYSTAL 12.0000MHZ 8PF SMD | IQXC-180 AUTO | 12 MHz |
| LFXTAL055998REEL | IQD Frequency Products | CRYSTAL 20.0000MHZ 8PF SMD | IQXC-180 AUTO | 20 MHz |
| LFXTAL061642REEL | IQD Frequency Products | CRYSTAL 25.0000MHZ 16PF SMD | CFPX-104 | 25 MHz |
| LFXTAL071270REEL | IQD Frequency Products | CRYSTAL 25.0000MHZ 10PF SMD | CFPX-218 AUTO | 25 MHz |
| LFXTAL059800REEL | IQD Frequency Products | CRYSTAL 25.0000MHZ 10PF SMD | CFPX-180 | 25 MHz |
| LFXTAL071777REEL | IQD Frequency Products | CRYSTAL 16.3840MHZ 8PF SMD | IQXC-180 AUTO | 16.384 MHz |
| LFXTAL059522REEL | IQD Frequency Products | CRYSTAL 12.0000MHZ 18PF SMD | CFPX-104 | 12 MHz |
| LFXTAL082073Reel | IQD Frequency Products | CRYSTAL 24.0000MHZ 8PF SMD | CFPX-180 | 24 MHz |
| LFXTAL083409RL3K | IQD Frequency Products | CRYSTAL 26.0000MHZ 12PF SMD | CFPX-180 | 26 MHz |
| LFXTAL071177REEL | IQD Frequency Products | CRYSTAL 24.0000MHZ 9PF SMD | CFPX-180 | 24 MHz |
| LFXTAL072351REEL | IQD Frequency Products | CRYSTAL 6.0000MHZ 18PF SMD | 12SMX AUTO | 6 MHz |
| LFXTAL051068REEL | IQD Frequency Products | CRYSTAL 25.0000MHZ 9PF SMD | CFPX-180 | 25 MHz |
| LFXTAL070868REEL | IQD Frequency Products | CRYSTAL 12.0000MHZ 18PF SMD | CFPX-180 | 12 MHz |
| LFXTAL075997REEL | IQD Frequency Products | CRYSTAL 9.9000MHZ SURFACE MOUNT | CFPX-104 | 9.9 MHz |
| LFXTAL003218BULK | IQD Frequency Products | CRYSTAL 14.7456MHZ 30PF TH | HC49 | 14.7456 MHz |
| LFXTAL003000BULK | IQD Frequency Products | CRYSTAL 32.7680KHZ 12.5PF SMD | 85SMX | 32.768 kHz |
| LFXTAL011164BULK | IQD Frequency Products | CRYSTAL 3.0720MHZ 20PF TH | HC49 | 3.072 MHz |
| LFXTAL015442BULK | IQD Frequency Products | CRYSTAL 1.8432MHZ 13PF TH | HC49 | 1.8432 MHz |
| LFXTAL003336BULK | IQD Frequency Products | CRYSTAL 7.3728MHZ 18PF TH | HC49/4H | 7.3728 MHz |
| LFXTAL030819BULK | IQD Frequency Products | CRYSTAL 16.0000MHZ 18PF SMD | CFPX-104 | 16 MHz |
| LFXTAL056808BULK | IQD Frequency Products | CRYSTAL 20.0000MHZ 18PF SMD | CFPX-104 | 20 MHz |
| LFXTAL003044BULK | IQD Frequency Products | CRYSTAL 2.4576MHZ 30PF TH | HC49 | 2.4576 MHz |
| LFXTAL026380BULK | IQD Frequency Products | CRYSTAL 8.0000MHZ 16PF SMD | 12SMX-B | 8 MHz |
| LFXTAL036183BULK | IQD Frequency Products | CRYSTAL 8.0000MHZ 30PF TH | HC49/4H | 8 MHz |
| LFXTAL059529BULK | IQD Frequency Products | CRYSTAL 18.4320MHZ 18PF SMD | CFPX-104 | 18.432 MHz |
| LFXTAL016178BULK | IQD Frequency Products | CRYSTAL 32.7680KHZ 6PF SMD | 85SMX | 32.768 kHz |
| LFXTAL065111REEL | IQD Frequency Products | CRYSTAL 12.0000MHZ 18PF SMD | CFPX-104 | 12 MHz |
| LFXTAL072404REEL | IQD Frequency Products | CRYSTAL 26.0000MHZ 18PF SMD | CFPX-104 | 26 MHz |
| LFXTAL059617REEL | IQD Frequency Products | CRYSTAL 18.4320MHZ 18PF SMD | CFPX-180 | 18.432 MHz |
| LFXTAL069400REEL | IQD Frequency Products | CRYSTAL 18.4320MHZ 18PF SMD | CFPX-218 | 18.432 MHz |
| LFXTAL033644REEL | IQD Frequency Products | CRYSTAL 24.5760MHZ 18PF SMD | CFPX-104 | 24.576 MHz |
| LFXTAL015822REEL | IQD Frequency Products | CRYSTAL 32.7680KHZ 6PF SMD | 90SMX | 32.768 kHz |
| LFXTAL003003REEL | IQD Frequency Products | CRYSTAL 32.7680KHZ 12.5PF SMD | 91SMX | 32.768 kHz |
| LFXTAL003004REEL | IQD Frequency Products | CRYSTAL 32.7680KHZ 12.5PF SMD | 90SMX | 32.768 kHz |
| LFXTAL010193REEL | IQD Frequency Products | CRYSTAL 32.7680KHZ 6PF SMD | 91SMX | 32.768 kHz |
| LFXTAL082072RL3K | IQD Frequency Products | CRYSTAL 20.0000MHZ 8PF SMD | CFPX-180 | 20 MHz |
| LFXTAL082073RL3K | IQD Frequency Products | CRYSTAL 24.0000MHZ 8PF SMD | CFPX-180 | 24 MHz |
| LFXTAL059540REEL | IQD Frequency Products | CRYSTAL 8.0000MHZ 10PF SMD | CFPX-104 | 8 MHz |
| LFXTAL036584REEL | IQD Frequency Products | CRYSTAL 12.0000MHZ 10PF SMD | CFPX-104 | 12 MHz |
| LFXTAL082131RL3K | IQD Frequency Products | CRYSTAL 38.4000MHZ 8PF SMD | IQXC-42 | 38.4 MHz |
| LFXTAL082075RL3K | IQD Frequency Products | CRYSTAL 30.0000MHZ 8PF SMD | CFPX-180 | 30 MHz |
| LFXTAL026908BULK | IQD Frequency Products | CRYSTAL 14.7456MHZ 16PF SMD | HC49/4HSMX | 14.7456 MHz |
| LFXTAL010193BULK | IQD Frequency Products | CRYSTAL 32.7680KHZ 6PF SMD | 91SMX | 32.768 kHz |
| LFXTAL082130RL3K | IQD Frequency Products | CRYSTAL 37.4000MHZ 8PF SMD | IQXC-42 | 37.4 MHz |
| LFXTAL062461RL3K | IQD Frequency Products | CRYSTAL 27.1200MHZ 10PF SMD | CFPX-180 | 27.12 MHz |
| LFXTAL082082RL3K | IQD Frequency Products | CRYSTAL 24.0000MHZ 10PF SMD | CFPX-218 | 24 MHz |
| LFXTAL082078RL3K | IQD Frequency Products | CRYSTAL 50.0000MHZ 8PF SMD | CFPX-180 | 50 MHz |
| LFXTAL003003BULK | IQD Frequency Products | CRYSTAL 32.7680KHZ 12.5PF SMD | 91SMX | 32.768 kHz |
| LFXTAL082125RL3K | IQD Frequency Products | CRYSTAL 25.0000MHZ 8PF SMD | IQXC-42 | 25 MHz |
| LFXTAL059815RL3K | IQD Frequency Products | CRYSTAL 27.1200MHZ 10PF SMD | CFPX-180 | 27.12 MHz |
| LFXTAL082070RL3K | IQD Frequency Products | CRYSTAL 13.5600MHZ 8PF SMD | CFPX-180 | 13.56 MHz |
| LFXTAL082074RL3K | IQD Frequency Products | CRYSTAL 27.0000MHZ 8PF SMD | CFPX-180 | 27 MHz |
| LFXTAL059701REEL | IQD Frequency Products | CRYSTAL 32.0000MHZ 10PF SMD | CFPX-104 | 32 MHz |
| LFXTAL078719RL3K | IQD Frequency Products | CRYSTAL 10PF SURFACE MOUNT | CFPX-218 | - |
| LFXTAL033328REEL | IQD Frequency Products | CRYSTAL 14.7456MHZ 18PF SMD | CFPX-104 | 14.7456 MHz |
| LFXTAL082074RL3K | IQD Frequency Products | CRYSTAL 27.0000MHZ 8PF SMD | CFPX-180 | 27 MHz |
| LFXTAL060203REEL | IQD Frequency Products | CRYSTAL 10.0000MHZ 10PF SMD | CFPX-104 | 10 MHz |
| LFXTAL059699REEL | IQD Frequency Products | CRYSTAL 30.0000MHZ 10PF SMD | CFPX-104 | 30 MHz |
| LFXTAL081781RL3K | IQD Frequency Products | CRYSTAL 16.0000MHZ 8PF SMD | IQXC-42 | 16 MHz |
| LFXTAL072844RL3K | IQD Frequency Products | CRYSTAL 30.0000MHZ 10PF SMD | CFPX-218 | 30 MHz |
| LFXTAL036939REEL | IQD Frequency Products | CRYSTAL 25.0000MHZ 10PF SMD | CFPX-104 | 25 MHz |
| LFXTAL082131RL3K | IQD Frequency Products | CRYSTAL 38.4000MHZ 8PF SMD | IQXC-42 | 38.4 MHz |
| LFXTAL082075RL3K | IQD Frequency Products | CRYSTAL 30.0000MHZ 8PF SMD | CFPX-180 | 30 MHz |
| LFXTAL071952RL3K | IQD Frequency Products | CRYSTAL 12.0000MHZ 10PF SMD | CFPX-218 | 12 MHz |
| LFXTAL082123RL3K | IQD Frequency Products | CRYSTAL 24.0000MHZ 8PF SMD | IQXC-42 | 24 MHz |
| LFXTAL081865RL3K | IQD Frequency Products | CRYSTAL 26.0000MHZ 10PF SMD | CFPX-218 | 26 MHz |
| LFXTAL082087RL3K | IQD Frequency Products | CRYSTAL 40.0000MHZ 10PF SMD | CFPX-218 | 40 MHz |
| LFXTAL082126RL3K | IQD Frequency Products | CRYSTAL 26.0000MHZ 8PF SMD | IQXC-42 | 26 MHz |
| LFXTAL060218REEL | IQD Frequency Products | CRYSTAL 20.0000MHZ 10PF SMD | CFPX-104 | 20 MHz |
| LFXTAL059524REEL | IQD Frequency Products | CRYSTAL 13.0000MHZ 18PF SMD | CFPX-104 | 13 MHz |
| LFXTAL036364REEL | IQD Frequency Products | CRYSTAL 19.2000MHZ 12PF SMD | CFPX-104 | 19.2 MHz |
| LFXTAL082081RL3K | IQD Frequency Products | CRYSTAL 10PF SURFACE MOUNT | CFPX-218 | - |
| LFXTAL070065RL3K | IQD Frequency Products | CRYSTAL 24.0000MHZ 9PF SMD | CFPX-180 | 24 MHz |
| LFXTAL082088RL3K | IQD Frequency Products | CRYSTAL 50.0000MHZ 10PF SMD | CFPX-218 | 50 MHz |
| LFXTAL026396BULK | IQD Frequency Products | CRYSTAL 24.5760MHZ 16PF SMD | 12SMX-B | 24.576 MHz |
| LFXTAL082127RL3K | IQD Frequency Products | CRYSTAL 27.1200MHZ 8PF SMD | IQXC-42 | 27.12 MHz |
| LFXTAL082077RL3K | IQD Frequency Products | CRYSTAL 40.0000MHZ 8PF SMD | CFPX-180 | 40 MHz |
| LFXTAL082080RL3K | IQD Frequency Products | CRYSTAL 19.2000MHZ 10PF SMD | CFPX-218 | 19.2 MHz |
| LFXTAL035571REEL | IQD Frequency Products | CRYSTAL 26.0000MHZ 10PF SMD | CFPX-104 | 26 MHz |
| LFXTAL082135RL3K | IQD Frequency Products | CRYSTAL 48.0000MHZ 8PF SMD | IQXC-42 | 48 MHz |
| LFXTAL057997RL3K | IQD Frequency Products | CRYSTAL 16.0000MHZ 10PF SMD | CFPX-180 | 16 MHz |
| LFXTAL082128RL3K | IQD Frequency Products | CRYSTAL 30.0000MHZ 8PF SMD | IQXC-42 | 30 MHz |
| LFXTAL082132Reel | IQD Frequency Products | CRYSTAL 40.0000MHZ 8PF SMD | IQXC-42 | 40 MHz |
| LFXTAL063061REEL | IQD Frequency Products | CRYSTAL 12.0000MHZ 16PF SMD | CFPX-104 | 12 MHz |
| LFXTAL078207RL3K | IQD Frequency Products | CRYSTAL 32.0000MHZ 10PF SMD | CFPX-218 | 32 MHz |
| LFXTAL059533REEL | IQD Frequency Products | CRYSTAL 27.0000MHZ 18PF SMD | CFPX-104 | 27 MHz |
| LFXTAL015822BULK | IQD Frequency Products | CRYSTAL 32.7680KHZ 6PF SMD | 90SMX | 32.768 kHz |
| LFXTAL036229RL3K | IQD Frequency Products | CRYSTAL | - | - |
| LFXTAL003004BULK | IQD Frequency Products | CRYSTAL 32.7680KHZ 12.5PF SMD | 90SMX | 32.768 kHz |
| LFXTAL061673RL3K | IQD Frequency Products | CRYSTAL SURFACE MOUNT | CFPX-180 | - |
| LFXTAL082069Reel | IQD Frequency Products | CRYSTAL 12.0000MHZ 8PF SMD | CFPX-180 | 12 MHz |
| LFXTAL009650RL3K | IQD Frequency Products | CRYSTAL 16.0000MHZ 16PF SMD | CFPX-180 | 16 MHz |
| LFXTAL082468RL3K | IQD Frequency Products | CRYSTAL 38.4000MHZ 10PF SMD | IQXC-42 | 38.4 MHz |
| LFXTAL055283REEL | IQD Frequency Products | CRYSTAL 16.0000MHZ 10PF SMD | CFPX-104 | 16 MHz |
| LFXTAL059697REEL | IQD Frequency Products | CRYSTAL 27.0000MHZ 10PF SMD | CFPX-104 | 27 MHz |
| LFXTAL082084RL3K | IQD Frequency Products | CRYSTAL 10PF SURFACE MOUNT | CFPX-218 | - |
另一個重要的影響是由于溫度的變化。 手表晶體和其他類似類型低于1兆赫有一個拋物線 設計翻轉溫度為25°C時的頻率-溫度特性(見圖3)。人員流動的容忍度 溫度和拋物線曲率常數,通常為3℃ 和0.038 ppm/ C2,這意味著精密公差可以 只能在有限的溫度范圍內維持。這沒什么 結果在一只手表,當然,因為在使用中它保持接近 水晶的周轉溫度,但它可以呈現這種選擇晶體類型的成本效益低于AT切割單位,如果操作 希望溫度范圍比0到50℃更寬。4.194304MHz (32.768kHz x 27) AT切割晶體的類似電路 如圖2所示,C3和C4是為了便于精確 在標準時鐘下校準的晶體的頻率調整 12pF的晶體負載。如果不需要修整,則更換它們 具有18pF或22pF固定單元的電容器(選擇 導致最接近標稱頻率的振蕩),或者省略它們 并指定在30pF負載下校準的晶體。
正在載入評論數據...
相關資訊
- [2025-08-29]CTS致力于成為技術的前沿提供創...
- [2025-08-29]Diodes宣布推出一款智能48通道L...
- [2025-08-25]Rakon瑞康為什么應該放棄標準CO...
- [2025-08-25]Transko特蘭斯科推出了結合MEMS...
- [2025-08-23]SiT5503超精密溫度補償晶體振蕩...
- [2025-08-23]探索SiTime專為導航航空航天和國...
- [2024-04-11]CTECH濾波器型號數據列表CLB75P...
- [2024-03-18]Statek晶振產品應用CX20SCSM1-1...


業務經理
客服經理