GEYER Oscillator電路設計細節說明
來源:http://www.huihuangyouhua.com.cn 作者:金洛鑫電子 2019年08月27
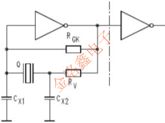
來自丹麥的GEYER ELECTRONIC e.K.公司從事石英晶振與電池制造,已經有幾十年了,在頻率控制組件方面,GEYER公司主要生產石英晶體振蕩器,擁有領先的Oscillator電路設計技術,是行業里的佼佼者.GEYER公司在荷蘭,印度,匈牙利,法國,英國等國家都有辦事處或工程部,皮爾斯振蕩器是GEYER經常設計的電路之一.在IC內部有一個反相放大器(相移大約180°),構成振蕩器電路的一部分.外部電路由石英晶體,Cx1,Cx2和Rv組成,另一個相移為ca.180°,以滿足360°(或0°)的反饋要求,并使電路能夠以石英晶體給定的頻率振蕩.
IC的特點:
Rout,Cout:石英晶體振蕩器IC的輸出電阻/輸出電容
Rin,Cin:石英晶體振蕩器IC的輸入電阻/電容(起始值CMOS:1M/3pF)
這些值應在制造商的IC數據手冊中說明,但盡管它們對電路設計很重要,但很少指定.Rout可以通過已知負載電阻上的電壓降來計算.
石英晶體的特點:
石英晶體的R1ESR(通常指定為上限)
C0石英晶體靜電容(通常指定為上限)
石英晶體的C1動態(動態)電容(很少指定)
連接的CH1,CH2電容(大約0.8pF),大部分可以忽略,因為包含在C0中
CL石英晶體的標稱負載電容
石英晶體的L1動態電感(很少指定)
這些值在石英晶體制造商的數據表中規定.通過使用網絡分析儀分析一批石英水晶振子可以找到確切的值.
石英晶體周圍的組件:
IC輸出端的Cb有效電容為PCB的雜散電容*(4~6pF),石英晶體CH1(~0.8pF)和分立電容器C11的體電容之和.開始值:2xCa
Rv串聯電阻(應始終在布局中提供,即使后來填充0歐姆).設計中的有效串聯電阻是Rv和Rout的總和.
*雜散電容可以通過測量未填充的PCB來找到.
模擬:
GEYER晶振提供Y-QUARTZ應用程序,其中包括(模擬和優化Pierce石英晶體振蕩器的特性).通過輸入上述值,您可以可視化并改變反饋電路的幅度和相位特性,包括在不超過石英晶體最大驅動電平的情況下,可靠地振蕩石英晶體和周圍元件.
執行/布局:
布局需要特別注意:具有低電容的短跡線,對稱布局,無過孔,附近沒有”熱”跡線.如果無法避免過孔,則應對稱放置.
驗證:
必須在原型PCB上驗證石英晶體振蕩器的正確功能,因為預先不知道寄生電容和電阻,并且必須針對有源晶振的預期功能調整電阻器和電容器的值.必須使用有源低電容探頭(<=2pF)進行測量,因為電容>10pF的普通探頭會完全改變設置并使所有測量無效.如果沒有低電容探頭,可以暫時將小型陶瓷電容器(1~2pF)與探頭串聯進行測量.然而,在給定頻率下重新校準分頻比是不可避免的.

Rin,Cin:石英晶體振蕩器IC的輸入電阻/電容(起始值CMOS:1M/3pF)
這些值應在制造商的IC數據手冊中說明,但盡管它們對電路設計很重要,但很少指定.Rout可以通過已知負載電阻上的電壓降來計算.
石英晶體的特點:
(擴展等效電路)
fL石英晶體諧振器的標稱頻率石英晶體的R1ESR(通常指定為上限)
C0石英晶體靜電容(通常指定為上限)
石英晶體的C1動態(動態)電容(很少指定)
連接的CH1,CH2電容(大約0.8pF),大部分可以忽略,因為包含在C0中
CL石英晶體的標稱負載電容
石英晶體的L1動態電感(很少指定)
這些值在石英晶體制造商的數據表中規定.通過使用網絡分析儀分析一批石英水晶振子可以找到確切的值.
石英晶體周圍的組件:

(擴展等效電路)
IC輸入端的Ca有效電容為IC的Cin,PCB的雜散電容*(4~6pF),石英晶體CH2的體電容(~0.8pF)和分立電容器C12的總和.開始值:1,1......1,2xCLIC輸出端的Cb有效電容為PCB的雜散電容*(4~6pF),石英晶體CH1(~0.8pF)和分立電容器C11的體電容之和.開始值:2xCa
Rv串聯電阻(應始終在布局中提供,即使后來填充0歐姆).設計中的有效串聯電阻是Rv和Rout的總和.
*雜散電容可以通過測量未填充的PCB來找到.
模擬:
GEYER晶振提供Y-QUARTZ應用程序,其中包括(模擬和優化Pierce石英晶體振蕩器的特性).通過輸入上述值,您可以可視化并改變反饋電路的幅度和相位特性,包括在不超過石英晶體最大驅動電平的情況下,可靠地振蕩石英晶體和周圍元件.
執行/布局:
布局需要特別注意:具有低電容的短跡線,對稱布局,無過孔,附近沒有”熱”跡線.如果無法避免過孔,則應對稱放置.
驗證:
必須在原型PCB上驗證石英晶體振蕩器的正確功能,因為預先不知道寄生電容和電阻,并且必須針對有源晶振的預期功能調整電阻器和電容器的值.必須使用有源低電容探頭(<=2pF)進行測量,因為電容>10pF的普通探頭會完全改變設置并使所有測量無效.如果沒有低電容探頭,可以暫時將小型陶瓷電容器(1~2pF)與探頭串聯進行測量.然而,在給定頻率下重新校準分頻比是不可避免的.
正在載入評論數據...
相關資訊
- [2024-03-13]QVS推出MEMS石英振蕩器產品QMEM...
- [2023-06-29]-40~+105°C時的6G貼片石英晶體...
- [2020-07-16]通信網絡時鐘系統7x5mm溫補晶振...
- [2020-07-06]時鐘網絡與OCXO振蕩器的階層級別...
- [2020-06-22]Jauch公司專門為導航開發的新TC...
- [2020-06-06]解鎖Statek振蕩器系列產品的品質...
- [2020-05-28]VV-800系列VCXO晶體振蕩器的包裝...
- [2020-04-30]獨家推薦MEMS振蕩器應用電機系統...




業務經理
客服經理