晶振系列
-
陶瓷霧化片 wuhuapian -
陶瓷晶振 taocijingzhen -
32.768K Clock crystal -
貼片晶振 SMDcrystal -
石英晶振 Quartz Crystal -
聲表面濾波器 Quartz Crystal -
聲表面諧振器 resonator -
陶瓷濾波器 taocilvboqi -
KDS晶振 KDS CRYSTAL -
精工晶振 SEIKO CRYSTAL -
村田晶振 muRata CRYSTAL -
西鐵城晶振 CITIZEN CRYSTAL -
愛普生晶振 EPSON CRYSTAL -
微孔霧化片 微孔霧化片 -
臺灣加高晶體 H.ELE -
進口京瓷晶體 KYOCERA -
日本NDK晶體 進口NDK晶體 -
日本大河晶體 RIVER -
美國CTS晶體 CTS石英晶體 -
臺灣希華晶體 臺灣希華 -
臺灣鴻星晶體 HOSONIC -
臺灣TXC晶體 TXC CRYSTAL -
臺灣泰藝晶體 TAITIEN CRYSTAL -
臺灣亞陶晶體 百利通亞陶 -
臺灣NSK晶體 NSK CRYSTAL -
瑪居禮晶振 臺灣瑪居禮晶振 -
富士晶振 日本富士貼片晶振 -
SHINSUNG晶振 韓國進口SHINSUNG晶振 -
SMI晶振 日本SMI貼片晶振 -
Lihom晶振 韓國Lihom晶振 -
NAKA晶振 日本納卡株式會社晶振 -
AKER晶振 臺灣安碁貼片晶振 -
NKG晶振 NKG石英晶振 -
NJR晶振 日本NJR晶振 -
Sunny晶振 Sunny CRYSTAL -
Statek晶振 Statek貼片晶體 -
Pletronics晶振 Pletronics CRYSTAL -
Jauch晶振 Jauch Crystal -
日蝕晶振 Ecliptek Crystal -
IDT晶振 IDT進口晶振 -
格林雷晶振 Greenray恒溫晶振 -
高利奇晶振 Golledge石英晶體振蕩器 -
維管晶振 Vectron Crystal -
拉隆晶振 Raltron CRYSTAL -
瑞康晶振 Rakon石英晶體 -
康納溫菲爾德晶振 ConnorWinfield Crystal -
ECS晶振 ECS CRYSTAL -
Abracon晶振 Abracon 石英振蕩器 -
CTS晶振 西迪斯晶振 -
SiTime晶振 SiTime可編碼振蕩器 -
微晶晶振 Microcrystal Crystal -
AEK晶振 AEK CRYSTAL -
AEL晶振 AEL CRYSTAL -
Cardinal晶振 Cardinal貼片晶體 -
Crystek晶振 Crystek石英晶振 -
Fox晶振 Fox有源晶振 -
Frequency晶振 Frequency Crystal -
GEYER晶振 GEYER CRYSTAL -
KVG晶振 KVG石英晶體 -
ILSI晶振 ILSI CRYSTAL -
Euroquartz晶振 Euroquartz crystal -
MMDCOMP晶振 MMDCOMP貼片晶振 -
MtronPTI晶振 MtronPTI晶體諧振器 -
QANTEK晶振 QANTEK石英晶振 -
QuartzCom晶振 QuartzCom石英晶體 -
Quarztechnik晶振 Quarztechnik Crystal -
Suntsu晶振 Suntsu石英貼片晶振 -
Transko晶振 Transko crystal -
Wi2Wi晶振 Wi2Wi Crystal -
Rubyquartz晶振 進口Rubyquartz CRYSTAL -
ACT晶振 ACT石英晶振 -
Oscilent晶振 Oscilent CRYSTAL -
ITTI晶振 ITTI石英晶體諧振器 -
MTI-milliren晶振 MTI Crystal -
PDI晶振 PDI CRYSTAL -
IQD晶振 IQD CRYSTAL -
Microchip晶振 Microchip crystal -
Silicon晶振 Silicon Crystal -
安德森晶振 Anderson Crystal -
富通晶振 Fortiming Crystal -
CORE晶振 CORE CRYSTAL -
NIPPON晶振 NIPPON石英晶體振蕩器 -
NIC晶振 NIC Crystal -
QVS晶振 QVS CRYSTAL -
Bomar晶振 Bomar Crystal -
Bliley晶振 Bliley Crystal -
GED晶振 GED CRYSTAL -
FILTRONETICS晶振 FILTRONETICS CRYSTAL -
Standard晶振 Standard Crystal -
Q-Tech晶振 美國Q-Tech晶振 -
Wenzel晶振 Wenzel Crystal -
NEL晶振 美國NEL晶振 -
EM晶振 EM CRYSTAL -
PETERMANN晶振 PETERMANN CRYSTAL -
FCD-Tech晶振 荷蘭晶振FCD-Tech -
HEC晶振 HEC CRYSTAL -
FMI晶振 FMI CRYSTAL -
麥克羅比特晶振 Macrobizes Crystal -
AXTAL晶振 AXTAL CRYSTAL -
ARGO晶振 ARGO晶振公司是專業提供和設計波段頻率控制設備和微波無線通信零部件.我們還分銷日本,歐洲和美國的一些知名品牌零部件.我們致力于發展與計算機,IT和無線通信公司無任何界限的信息時代.我們秉承經營者的踏實,誠懇的態度,互惠互利的精神,實現共贏的目標,以誠信為本,誠信為本,公平交易為宗旨,以誠信,勤勉,誠信,精神質量第一,客戶滿意的經營理念,將以優良的產品質量,優惠的價格,優質的服務與您建立長期穩定的合作關系,共創輝煌事業. -
SKYWORKS晶振 -
Renesas瑞薩晶振 -
貼片石英晶振 SMD CRYSTAL -
貼片陶瓷晶振 SMD 陶振 -
有源晶振 Oscillator -
石英晶體振蕩器 OSC石英晶體振蕩器 -
壓控晶振 VCXO進口晶振 -
壓控溫補晶振 VC-TCXO CRYSTAL -
恒溫晶振 OCXO有源晶振 -
差分晶振 差分石英晶體振蕩器 -
數碼產品 -
醫療產品 -
汽車產品 -
移動產品 -
智能家居 -
網絡設備
- 規格型號:56602433
- 頻率:312.5MHz
- 尺寸:3225
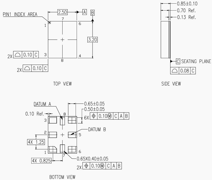
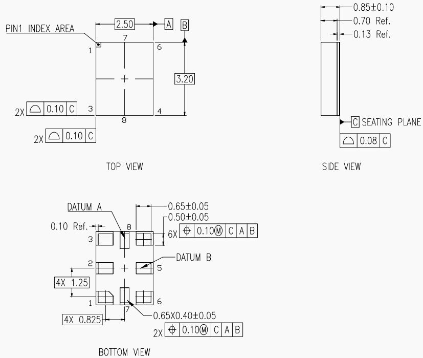
- 產品描述:Renesas八腳晶體,航空航天晶振,XPL526312.500000I晶振,瑞薩晶振公司,Renesas晶振,石英晶振,六腳晶振,進口晶振,SMD晶振,小體積晶振,5032晶振,6G室外基站晶振,無人機晶振,6G路由器晶振,6G通訊終端晶振,航空...
Renesas八腳晶體,航空航天晶振,XFP336312.500000I晶振

Renesas八腳晶體,航空航天晶振,XFP336312.500000I晶振,瑞薩晶振公司,Renesas晶振,石英晶振,六腳晶振,進口晶振,SMD晶振,小體積晶振,5032晶振,6G室外基站晶振,無人機晶振,6G路由器晶振,6G通訊終端晶振,航空航天晶振,XF器件是超低相位噪聲石英基鎖相環振蕩器,支持大范圍的頻率和輸出接口類型。這些器件被設計為在三種不同的電源下工作,具有幾種引腳配置,以及兩個工作溫度范圍。XF器件可編程為產生15MHz至2100MHz的輸出頻率,分辨率低至1Hz精度。該系列設備的配置能力允許樣品和大型生產訂單的快速交付時間。部件在工廠用于固定頻率應用的一次性編程(OTP),或者可以根據系統需要使用I2C進行現場編程。

Renesas八腳晶體,航空航天晶振,XFP336312.500000I晶振
| Parameter | Test Condition | Minimum | Typical | Maximum | Units | |
| 輸出頻率范圍 | LVDS, LVPECL, CML. | 15 | — | 2100 | MHz | |
| HCSL. | 15 | — | 725 | |||
| 頻率容差 | Temperature = -40°C to +85°C. | — | — | ±25 | ppm | |
| Temperature = -40°C to +105°C. | — | — | ±50 | ppm | ||
| 頻率穩定度 | Temperature = 25°C. | — | — | ±15 | ppm | |
| 老化(第一年) | TA = 25°C. | — | — | ±3 | ppm | |
| 老化(十年) | TA = 25°C. | — | — | ±10 | ppm | |
| 輸出負載 | LVDS. | Differential. | — | 100 | — | Ω |
| LVPECL. | VDD - 2.0V. | — | 50 | — | ||
| HCSL. | To GND. | — | 50 | — | ||
| 啟動時間 | Output valid time after VDD meets minimum specified level. | — | 5 | — | ms | |
| 輸出上升時間 | LVDS. |
20% – 80%, 156.25MHz |
— | 299 | 400 | ps |
| LVPECL. | — | 287 | 400 | |||
| HCSL. | — | 306 | 400 | |||
| CML | — | 301 | 400 | |||
| 輸出下降時間 | LVDS. |
80% – 20%, 156.25MHz |
— | 279 | 400 | ps |
| LVPECL. | — | 274 | 400 | |||
| HCSL. | — | 284 | 400 | |||
| CML | — | 279 | 400 | |||
| 輸出時鐘工作周期 | LVDS. | 156.25MHz | 48 | — | 52 | % |
| LVPECL. | 156.25MHz | 48 | — | 52 | ||
| HCSL. | 156.25MHz | 48 | — | 52 | ||
| CML | 156.25MHz | 48 | — | 52 | ||
| 輸出啟用/禁用時間 | — | — | — | 1 | — | ms |

Renesas八腳晶體,航空航天晶振,XFP336312.500000I晶振






| Renesas原廠編碼 | 生產商品牌 | 型號 | 頻率 | 輸出 | 電源電壓 | 頻率穩定度 |
| XFN336100.000000I | Renesas晶振 | XF | 100 MHz | HCSL | 3.3V | ±25ppm |
| XFP336312.500000I | Renesas晶振 | XF | 312.5 MHz | LVPECL | 3.3V | ±25ppm |
| XFL336156.250000I | Renesas晶振 | XF | 156.25 MHz | LVDS | 3.3V | ±25ppm |
| XFL336032.768000I | Renesas晶振 | XF | 32.768 MHz | LVDS | 3.3V | ±25ppm |
| XFL316125.000000I | Renesas晶振 | XF | 125 MHz | LVDS | 1.8V | ±25ppm |
| XFL336333.330000I | Renesas晶振 | XF | 333.33 MHz | LVDS | 3.3V | ±25ppm |
| XFL336032.000000I | Renesas晶振 | XF | 32 MHz | LVDS | 3.3V | ±25ppm |
| XFL336333.333333I | Renesas晶振 | XF | 333.333333 MHz | LVDS | 3.3V | ±25ppm |
| XFL336125.000000I | Renesas晶振 | XF | 125 MHz | LVDS | 3.3V | ±25ppm |
| XFL316300.000000I | Renesas晶振 | XF | 300 MHz | LVDS | 1.8V | ±25ppm |
| XFL336148.425824I | Renesas晶振 | XF | 148.425824 MHz | LVDS | 3.3V | ±25ppm |
| XFL336161.132812I | Renesas晶振 | XF | 161.132812 MHz | LVDS | 3.3V | ±25ppm |
| XFP336161.132812I | Renesas晶振 | XF | 161.132812 MHz | LVPECL | 3.3V | ±25ppm |
| XFL336096.000000I | Renesas晶振 | XF | 96 MHz | LVDS | 3.3V | ±25ppm |
| XFL336048.000000I | Renesas晶振 | XF | 48 MHz | LVDS | 3.3V | ±25ppm |
| XFL336333.333000I | Renesas晶振 | XF | 333.333 MHz | LVDS | 3.3V | ±25ppm |
| XFL336450.000000I | Renesas晶振 | XF | 450 MHz | LVDS | 3.3V | ±25ppm |
| XFL316270.000000I | Renesas晶振 | XF | 270 MHz | LVDS | 1.8V | ±25ppm |
| XFL336025.000000I | Renesas晶振 | XF | 25 MHz | LVDS | 3.3V | ±25ppm |
| XFP336048.000000I | Renesas晶振 | XF | 48 MHz | LVPECL | 3.3V | ±25ppm |
| XFP336156.253906I | Renesas晶振 | XF | 156.253906 MHz | LVPECL | 3.3V | ±25ppm |
| XFL336165.000000I | Renesas晶振 | XF | 165 MHz | LVDS | 3.3V | ±25ppm |
| XFL336161.132813I | Renesas晶振 | XF | 161.132813 MHz | LVDS | 3.3V | ±25ppm |
| XFL326300.000000I | Renesas晶振 | XF | 300 MHz | LVDS | 2.5V | ±25ppm |
| XFL326161.132812I | Renesas晶振 | XF | 161.132812 MHz | LVDS | 2.5V | ±25ppm |
| XFN336212.500000I | Renesas晶振 | XF | 212.5 MHz | HCSL | 3.3V | ±25ppm |
| XFP316156.250000I | Renesas晶振 | XF | 156.25 MHz | LVPECL | 1.8V | ±25ppm |
| XFL336425.000000I | Renesas晶振 | XF | 425 MHz | LVDS | 3.3V | ±25ppm |
| XFL336780.000000I | Renesas晶振 | XF | 780 MHz | LVDS | 3.3V | ±25ppm |
| XFL326148.351648I | Renesas晶振 | XF | 148.351648 MHz | LVDS | 2.5V | ±25ppm |
| XFL336400.000000I | Renesas晶振 | XF | 400 MHz | LVDS | 3.3V | ±25ppm |
| XFL316050.000000I | Renesas晶振 | XF | 50 MHz | LVDS | 1.8V | ±25ppm |
| XFL326148.500000I | Renesas晶振 | XF | 148.5 MHz | LVDS | 2.5V | ±25ppm |
| XFL336603.229000I | Renesas晶振 | XF | 603.229 MHz | LVDS | 3.3V | ±25ppm |
| XFL336033.300000I | Renesas晶振 | XF | 33.3 MHz | LVDS | 3.3V | ±25ppm |
| XFP326100.000000I | Renesas晶振 | XF | 100 MHz | LVPECL | 2.5V | ±25ppm |
| XFL336380.000000I | Renesas晶振 | XF | 380 MHz | LVDS | 3.3V | ±25ppm |
| XFL316080.000000I | Renesas晶振 | XF | 80 MHz | LVDS | 1.8V | ±25ppm |
| XFL316100.000000I | Renesas晶振 | XF | 100 MHz | LVDS | 1.8V | ±25ppm |
| XFL326080.000000I | Renesas晶振 | XF | 80 MHz | LVDS | 2.5V | ±25ppm |
| XFL316400.000000I | Renesas晶振 | XF | 400 MHz | LVDS | 1.8V | ±25ppm |
| XFP336125.000000I | Renesas晶振 | XF | 125 MHz | LVPECL | 3.3V | ±25ppm |
| XFP336050.000000I | Renesas晶振 | XF | 50 MHz | LVPECL | 3.3V | ±25ppm |
| XFL326156.250000I | Renesas晶振 | XF | 156.25 MHz | LVDS | 2.5V | ±25ppm |
| XFP326025.000000I | Renesas晶振 | XF | 25 MHz | LVPECL | 2.5V | ±25ppm |
| XFP336156.250000I | Renesas晶振 | XF | 156.25 MHz | LVPECL | 3.3V | ±25ppm |
| XFL336150.000000I | Renesas晶振 | XF | 150 MHz | LVDS | 3.3V | ±25ppm |
| XFL316025.000000I | Renesas晶振 | XF | 25 MHz | LVDS | 1.8V | ±25ppm |
| XFL316200.000000I | Renesas晶振 | XF | 200 MHz | LVDS | 1.8V | ±25ppm |
| XFL316052.083333I | Renesas晶振 | XF | 52.083333 MHz | LVDS | 1.8V | ±25ppm |
| XFP326715.033000I | Renesas晶振 | XF | 715.033 MHz | LVPECL | 2.5V | ±25ppm |
| XFL336100.000000I | Renesas晶振 | XF | 100 MHz | LVDS | 3.3V | ±25ppm |
| XFL326100.000000I | Renesas晶振 | XF | 100 MHz | LVDS | 2.5V | ±25ppm |
| XFL316322.265625I | Renesas晶振 | XF | 322.265625 MHz | LVDS | 1.8V | ±25ppm |
| XFP336025.235849I | Renesas晶振 | XF | 25.235849 MHz | LVPECL | 3.3V | ±25ppm |
| XFL316156.250000I | Renesas晶振 | XF | 156.25 MHz | LVDS | 1.8V | ±25ppm |
| XFL336322.265625I | Renesas晶振 | XF | 322.265625 MHz | LVDS | 3.3V | ±25ppm |
| XFL336027.000000I | Renesas晶振 | XF | 27 MHz | LVDS | 3.3V | ±25ppm |
| XFL316250.000000I | Renesas晶振 | XF | 250 MHz | LVDS | 1.8V | ±25ppm |
| XFP326312.500000I | Renesas晶振 | XF | 312.5 MHz | LVPECL | 2.5V | ±25ppm |
| XFP336A00.000000I | Renesas晶振 | XF | 1 GHz | LVPECL | 3.3V | ±25ppm |
| XFL336830.078125I | Renesas晶振 | XF | 830.078125 MHz | LVDS | 3.3V | ±25ppm |
| XFL315020.000000K | Renesas晶振 | XF | 20 MHz | LVDS | 1.8V | ±50ppm |
| XFL315025.000000K | Renesas晶振 | XF | 25 MHz | LVDS | 1.8V | ±50ppm |

深 圳 市 金 洛 電 子 有 限 公 司代理:EPSON,KDS,SEIKO,CITIZEN
電話:0755-27837162
手機:13510569637
郵箱:jinluodz@163.com
Q Q:657116624
地址:深圳市寶安41區甲岸路19號
網址:http://www.huihuangyouhua.com.cn




業務經理
客服經理